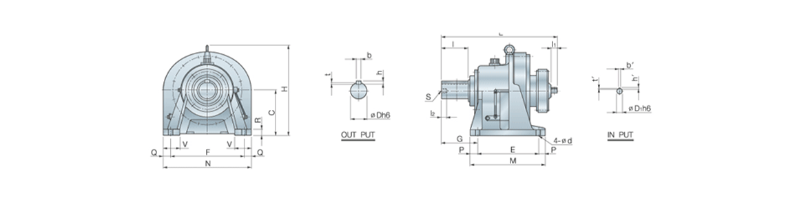
양축형
DH-F08 ~ DH-F14
DIMENSIONS
| 형식 | C | D | D' | E | F | G | H | M | N | P | Q | R | S | V | I | I. | I, | d | b | h | t | b' | h' | t' | L | 중량 |
|---|---|---|---|---|---|---|---|---|---|---|---|---|---|---|---|---|---|---|---|---|---|---|---|---|---|---|
| DH-F08 | 80 | 18 | 12 | 60 | 120 | 47 | 135 | 85 | 145 | 12 | 12 | 12 | 35 | 30 | 25 | 9 | 6 | 6 | 3.5 | 4 | 4 | 2.5 | 151 | 2.6 | ||
| DH-F09 | 100 | 28 | 15 | 90 | 150 | 60 | 207 | 135 | 185 | 25 | 15 | 15 | 42 | 35 | 25 | 11 | 8 | 7 | 4 | 5 | 5 | 3 | 202 | 11 | ||
| DH-F10 | 100 | 28 | 15 | 90 | 150 | 60 | 207 | 140 | 185 | 30 | 15 | 15 | 42 | 35 | 25 | 11 | 8 | 7 | 4 | 5 | 5 | 3 | 208 | 12 | ||
| DH-F11 | 120 | 38 | 18 | 115 | 190 | 82 | 257 | 160 | 235 | 20 | 20 | 18 | 57 | 50 | 35 | 14 | 10 | 8 | 5 | 6 | 6 | 3.5 | 254 | 25 | ||
| DH-F13 | 150 | 50 | 22 | 145 | 290 | 100 | 300 | 200 | 335 | 25 | 20 | 25 | M10 | 67 | 65 | 40 | 18 | 18 | 14 | 9 | 5.5 | 6 | 6 | 3.5 | 316 | 42 |
| DH-F14 | 150 | 50 | 22 | 145 | 290 | 120 | 300 | 200 | 335 | 25 | 20 | 25 | M10 | 67 | 85 | 40 | 18 | 18 | 14 | 9 | 5.5 | 6 | 6 | 3.5 | 336 | 44 |
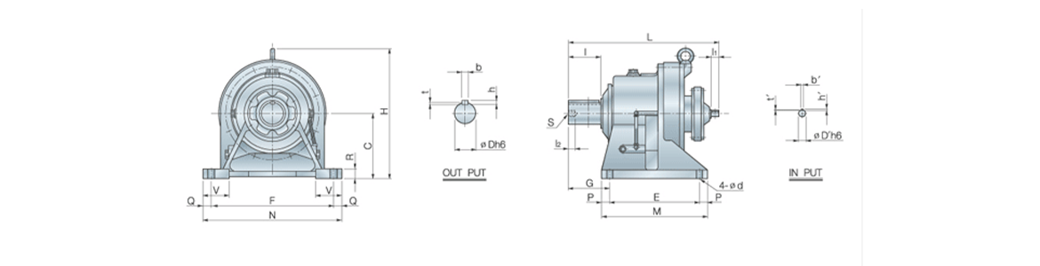
DH-F16 ~ DH-F20
DIMENSIONS
| 형식 | C | D | D' | E | F | G | H | M | N | P | Q | R | S | V | I | I. | I, | d | b | h | t | b' | h' | t' | L | 중량 |
|---|---|---|---|---|---|---|---|---|---|---|---|---|---|---|---|---|---|---|---|---|---|---|---|---|---|---|
| DH-F16 | 160 | 60 | 30 | 150 | 370 | 139 | 319 | 245 | 420 | 45 | 30 | 28 | M10 | 80 | 85 | 45 | 18 | 18 | 18 | 11 | 7 | 8 | 7 | 4 | 408 | 85 |
| DH-F17 | 200 | 70 | 35 | 275 | 380 | 125 | 381 | 340 | 440 | 35 | 25 | 35 | M12 | 85 | 85 | 55 | 24 | 22 | 20 | 12 | 7.5 | 10 | 8 | 5 | 472 | 126 |
| DH-F18 | 220 | 80 | 40 | 320 | 420 | 145 | 415 | 190 | 480 | 35 | 25 | 35 | M12 | 90 | 105 | 65 | 24 | 22 | 22 | 14 | 9 | 12 | 8 | 5 | 522 | 164 |
| DH-F19 | 250 | 95 | 45 | 380 | 480 | 170 | 476 | 460 | 550 | 35 | 25 | 35 | M20 | 100 | 130 | 70 | 34 | 26 | 25 | 14 | 9 | 14 | 9 | 5.5 | 615 | 240 |
| DH-F20 | 250 | 100 | 45 | 380 | 480 | 200 | 476 | 450 | 540 | 35 | 25 | 35 | M20 | 90 | 165 | 105 | 34 | 26 | 25 | 14 | 9 | 14 | 9 | 5.5 | 700 | 254 |
| DH-F20N | 250 | 100 | 45 | 360 | 440 | 215 | 530 | 450 | 540 | 45 | 50 | 35 | M20 | 100 | 165 | 82 | 34 | 26 | 28 | 16 | 10 | 14 | 9 | 5.5 | 678 | 255 |
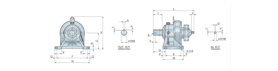
DH-F21 ~ DH-F27N
DIMENSIONS
| 형식 | C | D | D' | E | F | G | H | M | N | P | Q | R | S | V | I | I. | I, | d | b | h | t | b' | h' | t' | L | 중량 |
|---|---|---|---|---|---|---|---|---|---|---|---|---|---|---|---|---|---|---|---|---|---|---|---|---|---|---|
| DH-F21 | 290 | 110 | 50 | 480 | 590 | 215 | 550 | 570 | 630 | 40 | 30 | 45 | M20 | 100 | 170 | 80 | 24 | 26 | 28 | 16 | 10 | 14 | 9 | 5.5 | 740 | 338 |
| DH-F21N | 265 | 110 | 50 | 395 | 480 | 210 | 580 | 480 | 585 | 45 | 45 | 45 | M20 | 110 | 165 | 82 | 34 | 26 | 28 | 16 | 10 | 14 | 9 | 5.5 | 710 | 335 |
| DH-F22 | 325 | 120 | 55 | 500 | 630 | 290 | 625 | 610 | 700 | 45 | 35 | 45 | M20 | 110 | 210 | 90 | 34 | 26 | 32 | 18 | 11 | 16 | 10 | 6 | 855 | 412 |
| DH-F22N | 280 | 120 | 55 | 420 | 540 | 230 | 615 | 525 | 625 | 45 | 45 | 45 | M20 | 120 | 165 | 82 | 34 | 33 | 32 | 18 | 11 | 16 | 10 | 6 | 760 | 408 |
| DH-F23N | 300 | 130 | 60 | 460 | 480 | 260 | 670 | 565 | 675 | 65 | 50 | 50 | M24 | 125 | 200 | 105 | 41 | 33 | 32 | 18 | 11 | 18 | 11 | 7 | 845 | 504 |
| DH-F24 | 420 | 140 | 65 | 660 | 800 | 320 | 950 | 815 | 895 | 80 | 50 | 55 | M24 | 130 | 200 | 105 | 34 | 32 | 35 | 20 | 12 | 18 | 11 | 7 | 1070 | 617 |
| DH-F24N | 335 | 140 | 65 | 480 | 630 | 263 | 735 | 585 | 725 | 55 | 50 | 50 | M24 | 130 | 200 | 105 | 41 | 39 | 36 | 20 | 12 | 18 | 11 | 7 | 882 | 613 |
| DH-F25N | 375 | 160 | 80 | 520 | 670 | 320 | 820 | 640 | 790 | 60 | 60 | 55 | M30 | 145 | 240 | 130 | 49 | 39 | 40 | 22 | 13 | 22 | 14 | 9 | 1047 | 958 |
| DH-F26N | 400 | 170 | 80 | 590 | 770 | 390 | 880 | 710 | 890 | 60 | 60 | 60 | M30 | 165 | 300 | 130 | 49 | 45 | 40 | 22 | 13 | 22 | 14 | 9 | 1160 | 1192 |
| DH-F27N | 540 | 180 | 80 | 840 | 1050 | 485 | 1165 | 1045 | 1165 | 105 | 60 | 65 | M30 | 205 | 330 | 150 | 52 | 45 | 45 | 25 | 15 | 25 | 14 | 9 | 1475 | 2461 |
DH-F0807 ~ DH-F1109
DIMENSIONS
| 형식 | C | D | D' | E | F | G | H | M | N | P | Q | R | V | I | I. | d | b | h | t | b' | h' | t' | L | 중량 |
|---|---|---|---|---|---|---|---|---|---|---|---|---|---|---|---|---|---|---|---|---|---|---|---|---|
| DH-F0807 | 80 | 18 | 12 | 60 | 120 | 47 | 135 | 85 | 145 | 13 | 13 | 12 | 35 | 30 | 25 | 9 | 6 | 6 | 3.5 | 4 | 4 | 2.5 | 184 | 4.4 |
| DH-F0980 | 100 | 28 | 12 | 90 | 150 | 60 | 207 | 135 | 185 | 16 | 16 | 15 | 42 | 35 | 25 | 11 | 8 | 7 | 4 | 4 | 4 | 2.5 | 243 | 11 |
| DH-F1008 | 100 | 28 | 12 | 90 | 150 | 60 | 207 | 140 | 185 | 16 | 16 | 15 | 42 | 35 | 25 | 11 | 8 | 7 | 4 | 4 | 4 | 2.5 | 257 | 14 |
| DH-F1108 | 120 | 38 | 12 | 115 | 190 | 82 | 257 | 160 | 235 | 22 | 22 | 18 | 57 | 50 | 25 | 14 | 10 | 8 | 5 | 4 | 4 | 2.5 | 288 | 25 |
| DH-F1109 | 120 | 38 | 12 | 115 | 190 | 82 | 257 | 160 | 235 | 22 | 22 | 18 | 57 | 50 | 25 | 14 | 10 | 8 | 5 | 4 | 4 | 3 | 307 | 28 |
DH-F1308 ~ DH-F1410
DIMENSIONS
| 형식 | C | D | D' | E | F | G | H | M | N | P | Q | R | S | V | I | I. | I, | d | b | h | t | b' | h' | t' | L | 중량 |
|---|---|---|---|---|---|---|---|---|---|---|---|---|---|---|---|---|---|---|---|---|---|---|---|---|---|---|
| DH-F1308 | 150 | 50 | 12 | 145 | 129 | 100 | 300 | 200 | 335 | 27 | 22 | 25 | M10 | 67 | 65 | 25 | 18 | 18 | 14 | 9 | 5.5 | 4 | 4 | 2.5 | 347 | 40 |
| DH-F1309 | 150 | 50 | 15 | 145 | 129 | 100 | 300 | 200 | 335 | 27 | 22 | 25 | M10 | 67 | 65 | 25 | 18 | 18 | 14 | 9 | 5.5 | 5 | 5 | 3 | 358 | 44 |
| DH-F1310 | 150 | 50 | 15 | 145 | 129 | 100 | 300 | 200 | 335 | 27 | 22 | 25 | M10 | 67 | 65 | 25 | 18 | 18 | 14 | 9 | 5.5 | 5 | 5 | 3 | 364 | 45 |
| DH-F1408 | 150 | 50 | 15 | 145 | 129 | 120 | 300 | 200 | 335 | 27 | 22 | 25 | M10 | 67 | 65 | 25 | 18 | 18 | 14 | 9 | 5.5 | 4 | 4 | 2.5 | 362 | 40 |
| DH-F1409 | 150 | 50 | 15 | 145 | 129 | 120 | 300 | 200 | 335 | 27 | 22 | 25 | M10 | 67 | 65 | 25 | 18 | 18 | 14 | 9 | 5.5 | 5 | 5 | 3 | 378 | 44 |
| DH-F1410 | 150 | 50 | 15 | 145 | 129 | 120 | 300 | 200 | 335 | 27 | 22 | 25 | M10 | 67 | 65 | 25 | 18 | 18 | 14 | 9 | 5.5 | 5 | 5 | 3 | 384 | 45 |
DH-F1609 ~ DH-F1913
DIMENSIONS
| 형식 | C | D | D' | E | F | G | H | M | N | P | Q | R | S | V | I | I. | I, | d | b | h | t | b' | h' | t' | L | 중량 |
|---|---|---|---|---|---|---|---|---|---|---|---|---|---|---|---|---|---|---|---|---|---|---|---|---|---|---|
| DH-F1609 | 160 | 60 | 15 | 150 | 370 | 139 | 349 | 245 | 420 | 46 | 22 | 28 | M10 | 80 | 85 | 25 | 18 | 18 | 18 | 11 | 7 | 5 | 5 | 3 | 428 | 84 |
| DH-F1609 | 160 | 60 | 15 | 150 | 370 | 139 | 349 | 245 | 420 | 46 | 22 | 28 | M10 | 80 | 85 | 25 | 18 | 18 | 18 | 11 | 7 | 5 | 5 | 3 | 434 | 86 |
| DH-F1611 | 160 | 60 | 18 | 150 | 370 | 139 | 349 | 245 | 420 | 46 | 22 | 28 | M10 | 80 | 85 | 35 | 18 | 18 | 18 | 11 | 7 | 6 | 6 | 3.5 | 457 | 93 |
| DH-F1709 | 200 | 70 | 15 | 275 | 380 | 125 | 416 | 340 | 440 | 32 | 27 | 35 | M12 | 85 | 85 | 25 | 24 | 22 | 20 | 12 | 7.5 | 5 | 5 | 3 | 473 | 120 |
| DH-F1710 | 200 | 70 | 15 | 275 | 380 | 125 | 416 | 340 | 440 | 32 | 27 | 35 | M12 | 85 | 85 | 25 | 24 | 22 | 20 | 12 | 7.5 | 5 | 5 | 3 | 479 | 121 |
| DH-F1711 | 200 | 70 | 18 | 275 | 380 | 125 | 416 | 340 | 440 | 32 | 27 | 35 | M12 | 85 | 85 | 35 | 24 | 22 | 20 | 12 | 7.5 | 6 | 6 | 3.5 | 504 | 126 |
| DH-F1810 | 220 | 80 | 15 | 320 | 420 | 145 | 451 | 390 | 480 | 32 | 27 | 35 | M12 | 90 | 105 | 25 | 24 | 22 | 22 | 14 | 9 | 5 | 5 | 3 | 521 | 164 |
| DH-F1813 | 220 | 80 | 22 | 320 | 420 | 145 | 451 | 390 | 480 | 32 | 27 | 35 | M12 | 90 | 105 | 40 | 24 | 22 | 22 | 14 | 9 | 6 | 6 | 3.5 | 572 | 181 |
| DH-F1911 | 250 | 95 | 18 | 380 | 480 | 170 | 531 | 460 | 550 | 32 | 27 | 35 | M20 | 100 | 130 | 35 | 34 | 26 | 25 | 14 | 9 | 6 | 6 | 3.5 | 624 | 240 |
| DH-F1913 | 250 | 95 | 22 | 380 | 480 | 170 | 531 | 460 | 550 | 32 | 27 | 35 | M20 | 100 | 130 | 40 | 34 | 26 | 25 | 14 | 9 | 6 | 6 | 3.5 | 648 | 249 |
DH-F2011 ~ DH-F2217N
DIMENSIONS
| 형식 | C | D | D' | E | F | G | H | M | N | P | Q | R | S | V | I | I. | I, | d | b | h | t | b' | h' | t' | L | 중량 |
|---|---|---|---|---|---|---|---|---|---|---|---|---|---|---|---|---|---|---|---|---|---|---|---|---|---|---|
| DH-F2011 | 250 | 100 | 18 | 380 | 180 | 200 | 476 | 450 | 540 | 35 | 25 | 35 | M20 | 90 | 165 | 35 | 34 | 26 | 25 | 14 | 9 | 6 | 6 | 3.5 | 680 | 258 |
| DH-F2013 | 250 | 100 | 22 | 380 | 180 | 200 | 476 | 450 | 540 | 35 | 25 | 35 | M20 | 90 | 165 | 40 | 34 | 26 | 25 | 14 | 9 | 6 | 6 | 3.5 | 689 | 271 |
| DH-F2011N | 250 | 100 | 18 | 360 | 440 | 215 | 530 | 450 | 540 | 42 | 47 | 37 | M20 | 100 | 165 | 35 | 34 | 26 | 28 | 16 | 10 | 6 | 6 | 3.5 | 670 | 261 |
| DH-F2013N | 250 | 100 | 22 | 360 | 440 | 215 | 530 | 450 | 540 | 42 | 47 | 37 | M20 | 100 | 165 | 40 | 34 | 26 | 28 | 16 | 10 | 6 | 6 | 3.5 | 705 | 272 |
| DH-F2113 | 290 | 110 | 22 | 480 | 560 | 185 | 540 | 565 | 625 | 42 | 32 | 42 | M20 | 100 | 140 | 40 | 34 | 26 | 28 | 16 | 10 | 6 | 6 | 3.5 | 763 | 396 |
| DH-F2116 | 290 | 110 | 30 | 480 | 560 | 185 | 540 | 565 | 625 | 42 | 32 | 42 | M20 | 100 | 140 | 45 | 34 | 26 | 28 | 16 | 10 | 8 | 7 | 4 | 780 | 421 |
| DH-F2113N | 265 | 110 | 22 | 395 | 480 | 210 | 575 | 480 | 585 | 42 | 52 | 42 | M20 | 110 | 165 | 40 | 34 | 26 | 28 | 16 | 10 | 6 | 6 | 3.5 | 731 | 353 |
| DH-F2116N | 265 | 110 | 30 | 395 | 480 | 210 | 575 | 480 | 585 | 42 | 52 | 42 | M20 | 110 | 165 | 45 | 34 | 26 | 28 | 16 | 10 | 8 | 7 | 4 | 780 | 375 |
| DH-F2213 | 325 | 120 | 30 | 500 | 630 | 230 | 650 | 610 | 700 | 52 | 32 | 42 | M24 | 110 | 150 | 45 | 42 | 26 | 32 | 18 | 11 | 8 | 7 | 4 | 850 | 432 |
| DH-F2217 | 325 | 120 | 35 | 500 | 630 | 230 | 650 | 610 | 700 | 52 | 32 | 42 | M24 | 110 | 150 | 55 | 42 | 26 | 32 | 18 | 11 | 10 | 8 | 5 | 880 | 476 |
| DH-F2213N | 280 | 120 | 22 | 420 | 540 | 230 | 610 | 525 | 625 | 55 | 42 | 42 | M20 | 120 | 165 | 40 | 34 | 33 | 32 | 18 | 11 | 6 | 6 | 3.5 | 775 | 428 |
| DH-F2217N | 280 | 120 | 35 | 420 | 540 | 230 | 610 | 525 | 625 | 55 | 42 | 42 | M20 | 120 | 165 | 55 | 34 | 33 | 32 | 18 | 11 | 10 | 8 | 5 | 865 | 475 |
DHM-F2316 ~ F2719 형식은 특별주문 제작 사양이므로 연락주시면 즉시 도면을 보내드립니다.
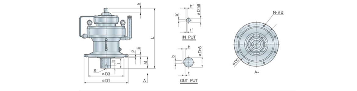
DV-F08 ~ DV-F14
DIMENSIONS
| 형식 | L | D | D' | D1 | D2 | D3 | E | M | N | P | d | I | I. | b | h | t | b' | h' | t' | 중량 |
|---|---|---|---|---|---|---|---|---|---|---|---|---|---|---|---|---|---|---|---|---|
| DV-F08 | 151 | 18 | 12 | 165 | 134 | 110 | 9 | 42 | 4 | 3 | 11 | 30 | 25 | 6 | 6 | 3.5 | 4 | 4 | 2.5 | 4.4 |
| DV-F09 | 202 | 28 | 15 | 165 | 134 | 110 | 9 | 48 | 4 | 3 | 11 | 35 | 25 | 8 | 7 | 4 | 5 | 5 | 3 | 8.5 |
| DV-F10 | 208 | 28 | 15 | 165 | 134 | 110 | 9 | 48 | 4 | 3 | 11 | 35 | 25 | 8 | 7 | 4 | 5 | 5 | 3 | 10 |
| DV-F11 | 254 | 38 | 18 | 215 | 180 | 140 | 13 | 64 | 6 | 4 | 11 | 50 | 35 | 10 | 8 | 5 | 6 | 6 | 3.5 | 22 |
| DV-F13 | 316 | 50 | 22 | 265 | 230 | 200 | 15 | 71 | 6 | 4 | 11 | 56 | 40 | 14 | 9 | 5.5 | 6 | 6 | 3.5 | 41 |
| DV-F14 | 336 | 50 | 22 | 265 | 230 | 200 | 15 | 91 | 6 | 4 | 11 | 76 | 40 | 14 | 9 | 5.5 | 6 | 6 | 3.5 | 42 |
DV-F16 ~ DV-F20N
DIMENSIONS
| 형식 | L | D | D' | D1 | D2 | D3 | E | M | N | P | S | d | I | I. | I, | b | h | t | b' | h' | t' | 중량 |
|---|---|---|---|---|---|---|---|---|---|---|---|---|---|---|---|---|---|---|---|---|---|---|
| DV-F16 | 408 | 60 | 30 | 345 | 310 | 270 | 20 | 84 | 6 | 4 | M10 | 11 | 75 | 45 | 18 | 18 | 11 | 7 | 8 | 7 | 4 | 78 |
| DV-F17 | 472 | 70 | 35 | 405 | 360 | 316 | 22 | 89 | 8 | 5 | M12 | 14 | 79 | 55 | 24 | 20 | 12 | 7.5 | 10 | 8 | 5 | 123 |
| DV-F18 | 522 | 80 | 40 | 440 | 390 | 345 | 22 | 105 | 8 | 5 | M12 | 18 | 95 | 65 | 24 | 22 | 14 | 9 | 12 | 8 | 5 | 149 |
| DV-F18 | 615 | 95 | 45 | 500 | 450 | 400 | 30 | 140 | 12 | 6 | M20 | 18 | 120 | 70 | 34 | 25 | 14 | 9 | 14 | 9 | 5.5 | 224 |
| DV-F20N | 675 | 100 | 45 | 460 | 405 | 360 | 30 | 204 | 8 | 6 | M20 | 22 | 165 | 82 | 34 | 28 | 16 | 10 | 14 | 9 | 5.5 | 242 |
DV-F21 ~ DV-F27N
DIMENSIONS
| 형식 | L | D | D' | D1 | D2 | D3 | E | M | N | P | S | d | I | I. | I, | b | h | t | b' | h' | t' | 중량 |
|---|---|---|---|---|---|---|---|---|---|---|---|---|---|---|---|---|---|---|---|---|---|---|
| DV-F21 | 740 | 110 | 50 | 590 | 520 | 460 | 36 | 190 | 12 | 10 | M20 | 22 | 165 | 80 | 34 | 28 | 16 | 10 | 12 | 8 | 4.5 | 317 |
| DV-F21N | 710 | 110 | 50 | 495 | 440 | 395 | 40 | 203 | 8 | 8 | M20 | 24 | 165 | 82 | 34 | 28 | 16 | 10 | 14 | 9 | 5.5 | 313 |
| DV-F22 | 855 | 120 | 55 | 655 | 590 | 525 | 45 | 242 | 12 | 8 | M24 | 22 | 202 | 90 | 42 | 32 | 18 | 11 | 16 | 10 | 6 | 565 |
| DV-F22N | 755 | 120 | 55 | 540 | 475 | 420 | 36 | 210 | 8 | 12 | M20 | 27 | 165 | 82 | 34 | 32 | 18 | 11 | 16 | 10 | 6 | 396 |
| DV-F23N | 840 | 130 | 60 | 575 | 510 | 455 | 45 | 250 | 8 | 12 | M24 | 27 | 200 | 105 | 41 | 32 | 18 | 11 | 18 | 11 | 7 | 472 |
| DV-F24 | 1120 | 140 | 70 | 890 | 800 | 690 | 55 | 252 | 12 | 12 | M30 | 33 | 245 | 120 | 52 | 36 | 20 | 12 | 20 | 12 | 7.5 | 1128 |
| DV-F24N | 880 | 140 | 65 | 640 | 560 | 490 | 45 | 250 | 8 | 12 | M24 | 33 | 200 | 105 | 41 | 36 | 20 | 12 | 18 | 11 | 7 | 569 |
| DV-F25N | 1045 | 160 | 80 | 695 | 610 | 545 | 50 | 295 | 8 | 12 | M30 | 33 | 240 | 130 | 49 | 40 | 22 | 13 | 22 | 14 | 9 | 864 |
| DV-F26N | 1155 | 170 | 80 | 755 | 660 | 575 | 55 | 360 | 8 | 12 | M30 | 39 | 300 | 130 | 49 | 40 | 22 | 13 | 22 | 14 | 9 | 1122 |
| DV-F28N | 1470 | 180 | 90 | 1165 | 1020 | 905 | 65 | 355 | 8 | 12 | M30 | 39 | 320 | 150 | 52 | 45 | 25 | 14 | 25 | 14 | 9 | 2605 |
DV-F0807 ~ DV-F1410
DIMENSIONS
| 형식 | L | D | D' | D1 | D2 | D3 | E | M | N | P | S | d | I | I. | I, | b | h | t | b' | h' | t' | 중량 |
|---|---|---|---|---|---|---|---|---|---|---|---|---|---|---|---|---|---|---|---|---|---|---|
| DV-F0807 | 184 | 18 | 12 | 165 | 134 | 115 | 10 | 42 | 4 | 4 | 11 | 30 | 15 | 5 | 5 | 3 | 4 | 4 | 2.5 | 6 | ||
| DV-F0908 | 243 | 28 | 12 | 165 | 134 | 115 | 10 | 48 | 4 | 4 | 11 | 34 | 25 | 8 | 7 | 4 | 4 | 4 | 2.5 | 10 | ||
| DV-F1008 | 257 | 28 | 12 | 165 | 134 | 115 | 10 | 48 | 4 | 4 | 11 | 34 | 25 | 8 | 7 | 4 | 4 | 4 | 2.5 | 12 | ||
| DV-F1108 | 293 | 38 | 12 | 215 | 180 | 145 | 14 | 69 | 6 | 5 | 11 | 55 | 25 | 10 | 8 | 5 | 4 | 4 | 2.5 | 24 | ||
| DV-F1109 | 312 | 38 | 15 | 215 | 180 | 145 | 14 | 69 | 6 | 5 | 11 | 55 | 25 | 10 | 8 | 5 | 4 | 4 | 3 | 28 | ||
| DV-F1308 | 347 | 50 | 12 | 265 | 230 | 210 | 16 | 76 | 6 | 5 | M10 | 11 | 61 | 25 | 18 | 14 | 9 | 5.5 | 4 | 4 | 2.5 | 40 |
| DV-F1309 | 363 | 50 | 12 | 265 | 230 | 210 | 16 | 76 | 6 | 5 | M10 | 11 | 61 | 25 | 18 | 14 | 9 | 5.5 | 5 | 5 | 3 | 44 |
| DV-F1310 | 369 | 50 | 12 | 265 | 230 | 210 | 16 | 76 | 6 | 5 | M10 | 11 | 61 | 25 | 18 | 14 | 9 | 5.5 | 5 | 5 | 3 | 45 |
| DV-F1408 | 367 | 50 | 12 | 265 | 230 | 210 | 16 | 96 | 6 | 5 | M10 | 11 | 81 | 25 | 18 | 14 | 9 | 5.5 | 4 | 4 | 2.5 | 40 |
| DV-F1409 | 383 | 50 | 12 | 265 | 230 | 210 | 16 | 96 | 6 | 5 | M10 | 11 | 81 | 25 | 18 | 14 | 9 | 5.5 | 4 | 4 | 3 | 44 |
| DV-F1410 | 389 | 50 | 12 | 265 | 230 | 210 | 16 | 96 | 6 | 5 | M10 | 11 | 81 | 25 | 18 | 14 | 9 | 5.5 | 4 | 4 | 3 | 45 |
DV-F1609 ~ DV-F2013N
DIMENSIONS
| 형식 | L | D | D' | D1 | D2 | D3 | E | M | N | P | S | d | I | I. | I, | b | h | t | b' | h' | t' | 중량 |
|---|---|---|---|---|---|---|---|---|---|---|---|---|---|---|---|---|---|---|---|---|---|---|
| DV-F1609 | 433 | 60 | 15 | 345 | 310 | 275 | 22 | 89 | 6 | 6 | M10 | 11 | 80 | 25 | 18 | 18 | 11 | 7 | 5 | 5 | 3 | 81 |
| DV-F1610 | 439 | 60 | 15 | 345 | 310 | 275 | 22 | 89 | 6 | 6 | M10 | 11 | 80 | 25 | 18 | 18 | 11 | 7 | 5 | 5 | 3 | 83 |
| DV-F1611 | 462 | 60 | 18 | 345 | 310 | 275 | 22 | 89 | 6 | 6 | M10 | 11 | 80 | 35 | 18 | 18 | 11 | 7 | 6 | 6 | 3.5 | 89 |
| DV-F1709 | 478 | 70 | 15 | 410 | 360 | 326 | 24 | 94 | 8 | 7 | M12 | 14 | 84 | 25 | 24 | 20 | 12 | 7.5 | 5 | 5 | 3 | 114 |
| DV-F1710 | 484 | 70 | 15 | 410 | 360 | 326 | 24 | 94 | 8 | 7 | M12 | 14 | 84 | 25 | 24 | 20 | 12 | 7.5 | 5 | 5 | 3 | 116 |
| DV-F1711 | 510 | 70 | 18 | 410 | 360 | 326 | 24 | 94 | 8 | 7 | M12 | 14 | 84 | 35 | 24 | 20 | 12 | 7.5 | 6 | 6 | 3.5 | 124 |
| DV-F1810 | 526 | 80 | 15 | 440 | 390 | 355 | 24 | 110 | 8 | 7 | M12 | 18 | 100 | 25 | 24 | 22 | 14 | 9 | 5 | 5 | 3 | 148 |
| DV-F1813 | 577 | 80 | 22 | 440 | 390 | 355 | 24 | 110 | 8 | 7 | M12 | 18 | 100 | 40 | 24 | 22 | 14 | 9 | 6 | 6 | 3.5 | 170 |
| DV-F1911 | 629 | 95 | 18 | 495 | 450 | 405 | 32 | 145 | 12 | 8 | M20 | 18 | 125 | 35 | 34 | 25 | 14 | 9 | 6 | 6 | 3.5 | 228 |
| DV-F1913 | 650 | 95 | 22 | 495 | 450 | 405 | 32 | 145 | 12 | 8 | M20 | 18 | 125 | 40 | 34 | 25 | 14 | 9 | 6 | 6 | 3.5 | 238 |
| DV-F2011N | 670 | 100 | 18 | 160 | 405 | 360 | 32 | 204 | 8 | 7 | M20 | 22 | 165 | 35 | 34 | 28 | 16 | 10 | 6 | 6 | 3.5 | 244 |
| DV-F2013N | 710 | 100 | 22 | 160 | 405 | 360 | 32 | 204 | 8 | 7 | M20 | 22 | 165 | 35 | 34 | 28 | 16 | 10 | 6 | 6 | 3.5 | 256 |
DV-F0807 ~ DV-F1410
DIMENSIONS
| 형식 | L | D | D' | D1 | D2 | D3 | E | M | N | P | S | d | I | I. | I, | b | h | t | b' | h' | t' | 중량 |
|---|---|---|---|---|---|---|---|---|---|---|---|---|---|---|---|---|---|---|---|---|---|---|
| DV-F0807 | 184 | 18 | 12 | 165 | 134 | 115 | 10 | 42 | 4 | 4 | 11 | 30 | 15 | 5 | 5 | 3 | 4 | 4 | 2.5 | 6 | ||
| DV-F0908 | 243 | 28 | 12 | 165 | 134 | 115 | 10 | 48 | 4 | 4 | 11 | 35 | 25 | 8 | 7 | 4 | 4 | 4 | 2.5 | 10 | ||
| DV-F1008 | 257 | 28 | 12 | 165 | 134 | 115 | 10 | 48 | 4 | 4 | 11 | 35 | 25 | 8 | 7 | 4 | 4 | 4 | 2.5 | 12 | ||
| DV-F1108 | 593 | 38 | 12 | 215 | 180 | 145 | 14 | 69 | 6 | 5 | 11 | 55 | 25 | 10 | 8 | 5 | 4 | 4 | 2.5 | 24 | ||
| DV-F1109 | 312 | 38 | 15 | 215 | 180 | 145 | 14 | 69 | 6 | 5 | 11 | 55 | 25 | 10 | 8 | 5 | 5 | 5 | 3 | 28 | ||
| DV-F1308 | 347 | 50 | 12 | 265 | 230 | 210 | 16 | 76 | 6 | 5 | M10 | 11 | 61 | 25 | 18 | 14 | 9 | 5.5 | 4 | 4 | 2.5 | 40 |
| DV-F1309 | 363 | 50 | 15 | 265 | 230 | 210 | 16 | 76 | 6 | 5 | M10 | 11 | 61 | 25 | 18 | 14 | 9 | 5.5 | 5 | 5 | 3 | 44 |
| DV-F1310 | 369 | 50 | 15 | 265 | 230 | 210 | 16 | 76 | 6 | 5 | M10 | 11 | 61 | 25 | 18 | 14 | 9 | 5.5 | 5 | 5 | 3 | 45 |
| DV-F1408 | 367 | 50 | 15 | 265 | 230 | 210 | 16 | 96 | 6 | 5 | M10 | 11 | 81 | 25 | 18 | 14 | 9 | 5.5 | 4 | 4 | 2.5 | 40 |
| DV-F1409 | 372 | 50 | 15 | 265 | 230 | 210 | 16 | 96 | 6 | 5 | M10 | 11 | 81 | 25 | 18 | 14 | 9 | 5.5 | 5 | 5 | 3 | 44 |
| DV-F1410 | 389 | 50 | 15 | 265 | 230 | 210 | 16 | 96 | 6 | 5 | M10 | 11 | 81 | 25 | 18 | 14 | 9 | 5.5 | 5 | 5 | 3 | 45 |
