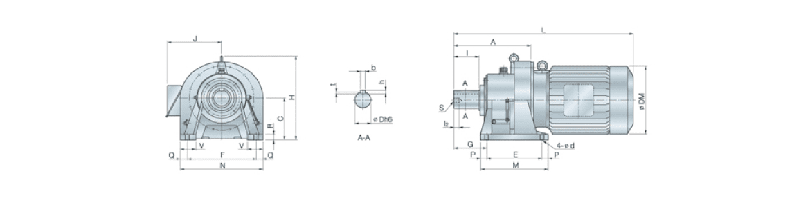
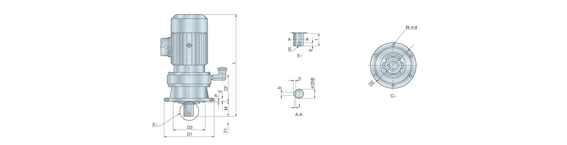
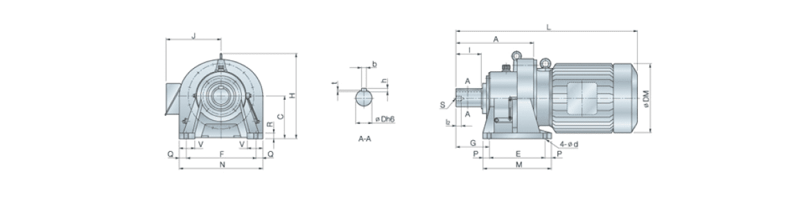
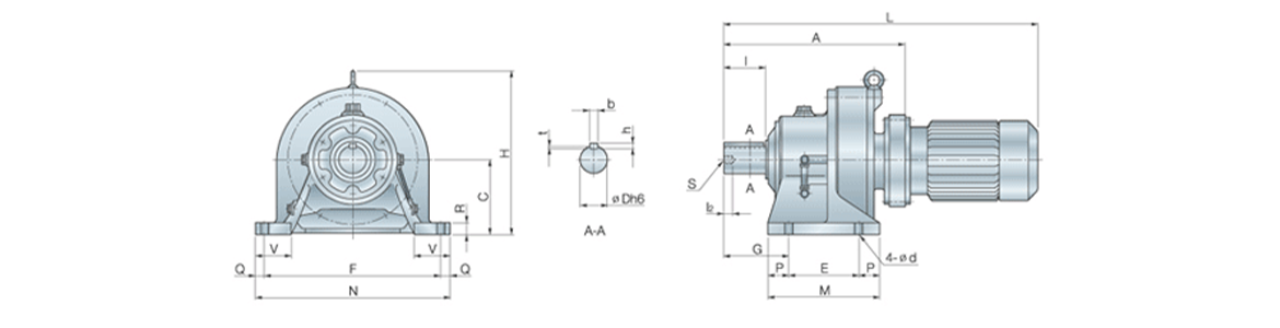
전동기 직결형
DHM-F08 ~ DHM-F11
DIMENSIONS
| 형식 | 용량 (KW) |
극수 | A | C | D | E | F | G | H | M | N | P | Q | R | V | I | d | b | h | t | L | J | DM | 중량 (KG) |
|---|---|---|---|---|---|---|---|---|---|---|---|---|---|---|---|---|---|---|---|---|---|---|---|---|
| DHM02 - F80 | 0.2 | 4 | 98 | 80 | 18 | 60 | 120 | 47 | 149 | 85 | 145 | 12 | 12 | 12 | 35 | 30 | 9 | 6 | 6 | 3.5 | 303 | 116 | 138 | 7.5 |
| DHM05 - F08 | 0.4 | 4 | 98 | 80 | 18 | 60 | 120 | 47 | 170 | 85 | 145 | 12 | 12 | 12 | 35 | 30 | 9 | 6 | 6 | 3.5 | 337 | 142 | 180 | 9 |
| DHM02 - F09 | 0.2 | 4 | 142 | 100 | 28 | 90 | 150 | 60 | 207 | 135 | 185 | 25 | 15 | 12 | 42 | 35 | 11 | 8 | 7 | 4 | 347 | 116 | 138 | 15 |
| DHM05 - F09 | 0.4 | 4 | 142 | 100 | 28 | 90 | 150 | 60 | 207 | 135 | 185 | 25 | 15 | 12 | 42 | 35 | 11 | 8 | 7 | 4 | 381 | 142 | 180 | 16 |
| DHM 1 - F09 | 0.75 | 4 | 142 | 100 | 28 | 90 | 150 | 60 | 213 | 135 | 185 | 25 | 15 | 12 | 42 | 35 | 11 | 8 | 7 | 4 | 381 | 142 | 180 | 20 |
| DHM02 - F10 | 0.2 | 4 | 156 | 100 | 28 | 90 | 150 | 60 | 207 | 140 | 185 | 30 | 15 | 15 | 42 | 35 | 11 | 8 | 7 | 4 | 361 | 116 | 138 | 18 |
| DHM05 - F10 | 0.4 | 4 | 156 | 100 | 28 | 90 | 150 | 60 | 207 | 140 | 185 | 30 | 15 | 15 | 42 | 35 | 11 | 8 | 7 | 4 | 395 | 142 | 180 | 19 |
| DHM 1 - F10 | 0.75 | 4 | 156 | 100 | 28 | 90 | 150 | 60 | 213 | 140 | 185 | 30 | 15 | 15 | 42 | 35 | 11 | 8 | 7 | 4 | 395 | 142 | 180 | 23 |
| DHM 2 - F10 | 1.5 | 4 | 156 | 100 | 28 | 90 | 150 | 60 | 220 | 140 | 185 | 30 | 15 | 15 | 42 | 35 | 11 | 8 | 7 | 4 | 444 | 158 | 199 | 27 |
| DHM 3 - F10 | 2.2 | 4 | 156 | 100 | 28 | 90 | 150 | 60 | 220 | 140 | 185 | 30 | 15 | 15 | 42 | 35 | 11 | 8 | 7 | 4 | 473 | 205 | 244 | 31 |
| DHM05 - F11 | 0.4 | 4 | 181 | 120 | 38 | 115 | 190 | 82 | 257 | 160 | 235 | 20 | 20 | 15 | 57 | 50 | 14 | 10 | 8 | 5 | 429 | 142 | 180 | 30 |
| DHM 1 - F11 | 0.75 | 4 | 181 | 120 | 38 | 115 | 190 | 82 | 257 | 160 | 235 | 20 | 20 | 15 | 57 | 50 | 14 | 10 | 8 | 5 | 479 | 142 | 180 | 32 |
| DHM 2 - F11 | 1.5 | 4 | 181 | 120 | 38 | 115 | 190 | 82 | 257 | 160 | 235 | 20 | 20 | 15 | 57 | 50 | 14 | 10 | 8 | 5 | 479 | 158 | 199 | 36 |
| DHM 3 - F11 | 2.2 | 4 | 181 | 120 | 38 | 115 | 190 | 82 | 257 | 160 | 235 | 20 | 20 | 15 | 57 | 50 | 14 | 10 | 8 | 5 | 490 | 205 | 244 | 40 |
| DHM 5 - F11 | 3.7 | 4 | 181 | 120 | 38 | 115 | 190 | 82 | 257 | 160 | 235 | 20 | 20 | 15 | 57 | 50 | 14 | 10 | 8 | 5 | 496 | 205 | 244 | 50 |
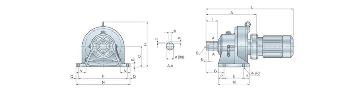
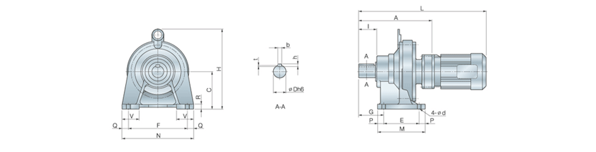
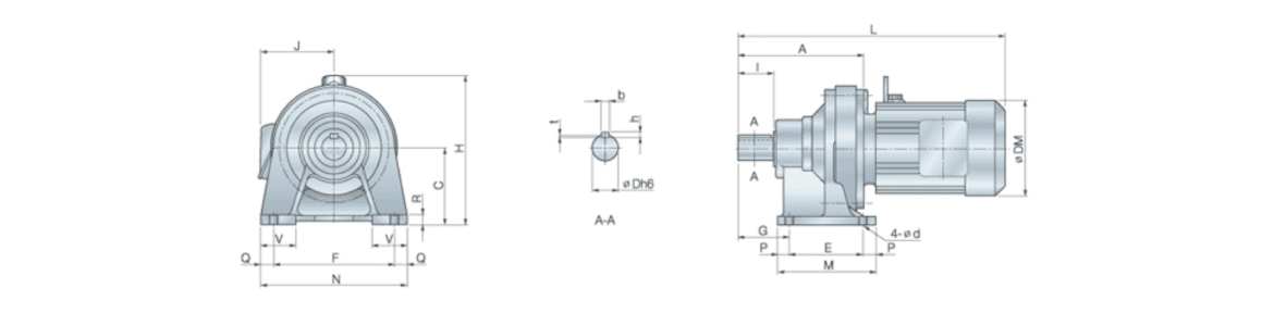
DHM-F13 ~ DHM-F16
DIMENSIONS
| 형식 | 용량 (KW) |
극수 | A | C | D | E | F | G | H | M | N | P | Q | R | S | V | I | I. | d | b | h | t | L | J | DM | 중량 (KG) |
|---|---|---|---|---|---|---|---|---|---|---|---|---|---|---|---|---|---|---|---|---|---|---|---|---|---|---|
| DHM 1 - F13 | 0.75 | 4 | 235 | 150 | 50 | 145 | 290 | 100 | 263 | 200 | 335 | 25 | 20 | 25 | M10 | 67 | 65 | 18 | 18 | 14 | 9 | 5.5 | 480 | 142 | 180 | 51 |
| DHM 2 - F13 | 1.5 | 4 | 235 | 150 | 50 | 145 | 290 | 100 | 268 | 200 | 335 | 25 | 20 | 25 | M10 | 67 | 65 | 18 | 18 | 14 | 9 | 5.5 | 502 | 159 | 179 | 55 |
| DHM 3 - F13 | 2.2 | 4 | 235 | 150 | 50 | 145 | 290 | 100 | 276 | 200 | 335 | 25 | 20 | 25 | M10 | 67 | 65 | 18 | 18 | 14 | 9 | 5.5 | 529 | 205 | 244 | 58 |
| DHM 5 - F13 | 3.7 | 4 | 235 | 150 | 50 | 145 | 290 | 100 | 296 | 200 | 335 | 25 | 20 | 25 | M10 | 67 | 65 | 18 | 18 | 14 | 9 | 5.5 | 550 | 205 | 244 | 68 |
| DHM 8 - F13 | 5.5 | 4 | 235 | 150 | 50 | 145 | 290 | 100 | 276 | 200 | 335 | 25 | 20 | 25 | M10 | 67 | 65 | 18 | 18 | 14 | 9 | 5.5 | 600 | 225 | 284 | 75 |
| DHM 10 - F13 | 7.5 | 4 | 235 | 150 | 50 | 145 | 290 | 100 | 324 | 200 | 335 | 25 | 20 | 25 | M10 | 67 | 65 | 18 | 18 | 14 | 9 | 5.5 | 627 | 225 | 284 | 90 |
| DHM 1 - F14 | 0.75 | 4 | 255 | 150 | 50 | 145 | 290 | 120 | 263 | 200 | 335 | 25 | 20 | 25 | M10 | 67 | 65 | 18 | 18 | 14 | 9 | 5.5 | 500 | 142 | 180 | 51 |
| DHM 2 - F14 | 1.5 | 4 | 255 | 150 | 50 | 145 | 290 | 120 | 268 | 200 | 335 | 25 | 20 | 25 | M10 | 67 | 65 | 18 | 18 | 14 | 9 | 5.5 | 542 | 158 | 199 | 55 |
| DHM 3 - F14 | 2.5 | 4 | 255 | 150 | 50 | 145 | 290 | 120 | 276 | 200 | 335 | 25 | 20 | 25 | M10 | 67 | 65 | 18 | 18 | 14 | 9 | 5.5 | 549 | 205 | 244 | 58 |
| DHM 5 - F14 | 3.7 | 4 | 255 | 150 | 50 | 145 | 290 | 120 | 296 | 200 | 335 | 25 | 20 | 25 | M10 | 67 | 65 | 18 | 18 | 14 | 9 | 5.5 | 570 | 205 | 244 | 68 |
| DHM 8 - F14 | 5.5 | 4 | 255 | 150 | 50 | 145 | 290 | 120 | 296 | 200 | 335 | 25 | 20 | 25 | M10 | 67 | 65 | 18 | 18 | 14 | 9 | 5.5 | 620 | 225 | 284 | 75 |
| DHM 10 - F14 | 7.5 | 4 | 255 | 150 | 50 | 145 | 290 | 120 | 324 | 200 | 335 | 25 | 20 | 25 | M10 | 67 | 65 | 18 | 18 | 14 | 9 | 5.5 | 647 | 225 | 284 | 90 |
| DHM 2 - F16 | 1.5 | 4 | 303 | 160 | 60 | 150 | 370 | 139 | 320 | 245 | 420 | 44 | 20 | 27 | M10 | 80 | 85 | 18 | 18 | 18 | 11 | 7 | 590 | 158 | 199 | 94 |
| DHM 3 - F16 | 2.2 | 4 | 303 | 160 | 60 | 150 | 370 | 139 | 328 | 245 | 420 | 44 | 20 | 27 | M10 | 80 | 85 | 18 | 18 | 18 | 11 | 7 | 591 | 205 | 244 | 97 |
| DHM 5 - F16 | 3.7 | 4 | 303 | 160 | 60 | 150 | 370 | 139 | 328 | 245 | 420 | 44 | 20 | 27 | M10 | 80 | 85 | 18 | 18 | 18 | 11 | 7 | 612 | 205 | 244 | 106 |
| DHM 8 - F16 | 5.5 | 4 | 303 | 160 | 60 | 150 | 370 | 139 | 334 | 245 | 420 | 44 | 20 | 27 | M10 | 80 | 85 | 18 | 18 | 18 | 11 | 7 | 633 | 205 | 284 | 113 |
| DHM 10 - F16 | 7.5 | 4 | 303 | 160 | 60 | 150 | 370 | 139 | 334 | 245 | 420 | 44 | 20 | 27 | M10 | 80 | 85 | 18 | 18 | 18 | 11 | 7 | 695 | 205 | 284 | 129 |
| DHM 15 - F16 | 11 | 4 | 303 | 160 | 60 | 150 | 370 | 139 | 334 | 245 | 420 | 44 | 20 | 27 | M10 | 80 | 85 | 18 | 18 | 18 | 11 | 7 | 761 | 280 | 337 | 143 |
| DHM 20 - F16 | 15 | 4 | 303 | 160 | 60 | 150 | 370 | 139 | 368 | 245 | 420 | 44 | 20 | 27 | M10 | 80 | 85 | 18 | 18 | 18 | 11 | 7 | 807 | 280 | 337 | 196 |
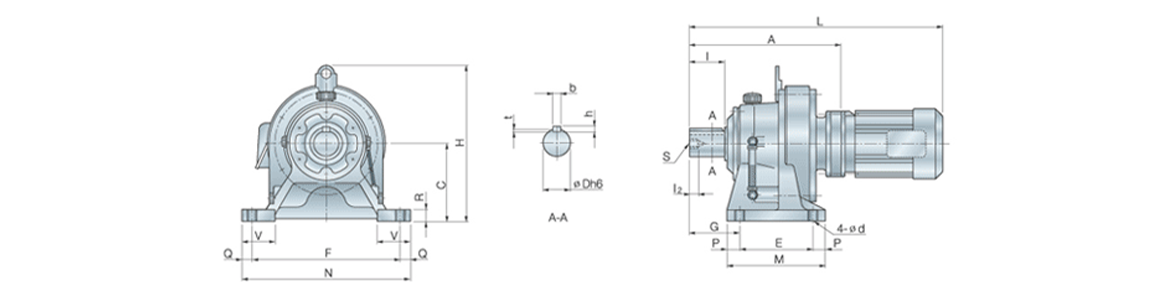
DHM-F17 ~ DHM-F19
DIMENSIONS
| 형식 | 용량 (KW) |
극수 | A | C | D | E | F | G | H | M | N | P | Q | R | S | V | I | I. | d | b | h | t | L | J | DM | 중량 (KG) |
|---|---|---|---|---|---|---|---|---|---|---|---|---|---|---|---|---|---|---|---|---|---|---|---|---|---|---|
| DHM 5 - F17 | 3.7 | 4 | 347 | 200 | 70 | 275 | 380 | 125 | 403 | 340 | 440 | 30 | 25 | 35 | M12 | 85 | 85 | 24 | 22 | 20 | 12 | 7.5 | 664 | 205 | 244 | 147 |
| DHM 8 - F17 | 5.5 | 4 | 347 | 200 | 70 | 275 | 380 | 125 | 403 | 340 | 440 | 30 | 25 | 35 | M12 | 85 | 85 | 24 | 22 | 20 | 12 | 7.5 | 714 | 225 | 284 | 154 |
| DHM 10 - F17 | 7.5 | 4 | 347 | 200 | 70 | 275 | 380 | 125 | 407 | 340 | 440 | 30 | 25 | 35 | M12 | 85 | 85 | 24 | 22 | 20 | 12 | 7.5 | 746 | 225 | 284 | 169 |
| DHM 15 - F17 | 11 | 4 | 347 | 200 | 70 | 275 | 380 | 125 | 407 | 340 | 440 | 30 | 25 | 35 | M12 | 85 | 85 | 24 | 22 | 20 | 12 | 7.5 | 813 | 280 | 337 | 183 |
| DHM 20 - F17 | 15 | 4 | 347 | 200 | 70 | 275 | 380 | 125 | 417 | 340 | 440 | 30 | 25 | 35 | M12 | 85 | 85 | 24 | 22 | 20 | 12 | 7.5 | 851 | 280 | 337 | 237 |
| DHM 25 - F17 | 18.5 | 4 | 347 | 200 | 70 | 275 | 380 | 125 | 428 | 340 | 440 | 30 | 25 | 35 | M12 | 85 | 85 | 24 | 22 | 20 | 12 | 7.5 | 882 | 238 | 432 | 305 |
| DHM 30 - F17 | 22 | 4 | 347 | 200 | 70 | 275 | 380 | 125 | 428 | 340 | 440 | 30 | 25 | 35 | M12 | 85 | 85 | 24 | 22 | 20 | 12 | 7.5 | 938 | 338 | 432 | 305 |
| DHM 5 - F18 | 3.7 | 4 | 348 | 220 | 80 | 320 | 420 | 145 | 438 | 390 | 480 | 30 | 25 | 35 | M12 | 90 | 105 | 24 | 22 | 20 | 14 | 9 | 702 | 205 | 244 | 185 |
| DHM 8 - F18 | 5.5 | 4 | 348 | 220 | 80 | 320 | 420 | 145 | 438 | 390 | 480 | 30 | 25 | 35 | M12 | 90 | 105 | 24 | 22 | 20 | 14 | 9 | 753 | 225 | 284 | 193 |
| DHM 10 - F18 | 7.5 | 4 | 348 | 220 | 80 | 320 | 420 | 145 | 442 | 390 | 480 | 30 | 25 | 35 | M12 | 90 | 105 | 24 | 22 | 20 | 14 | 9 | 785 | 225 | 284 | 208 |
| DHM 15 - F18 | 11 | 4 | 348 | 220 | 80 | 320 | 420 | 145 | 442 | 390 | 480 | 30 | 25 | 35 | M12 | 90 | 105 | 24 | 22 | 20 | 14 | 9 | 852 | 280 | 337 | 222 |
| DHM 20 - F18 | 15 | 4 | 348 | 220 | 80 | 320 | 420 | 145 | 437 | 390 | 480 | 30 | 25 | 35 | M12 | 90 | 105 | 24 | 22 | 20 | 14 | 9 | 890 | 280 | 337 | 292 |
| DHM 25 - F18 | 18.5 | 4 | 348 | 220 | 80 | 320 | 420 | 145 | 448 | 390 | 480 | 30 | 25 | 35 | M12 | 90 | 105 | 24 | 22 | 20 | 14 | 9 | 919 | 338 | 432 | 344 |
| DHM 30 - F18 | 22 | 4 | 348 | 220 | 80 | 320 | 420 | 145 | 448 | 390 | 480 | 30 | 25 | 35 | M12 | 90 | 105 | 24 | 22 | 20 | 14 | 9 | 975 | 338 | 432 | 349 |
| DHM 40 - F18 | 30 | 4 | 348 | 220 | 80 | 320 | 420 | 145 | 448 | 390 | 480 | 30 | 25 | 35 | M12 | 90 | 105 | 24 | 22 | 20 | 14 | 9 | 1029 | 410 | 486 | 361 |
| DHM 8 - F19 | 5.5 | 4 | 460 | 250 | 95 | 380 | 480 | 170 | 511 | 460 | 550 | 30 | 25 | 35 | M20 | 100 | 130 | 34 | 26 | 25 | 14 | 9 | 829 | 225 | 284 | 266 |
| DHM 10 - F19 | 7.5 | 4 | 460 | 250 | 95 | 380 | 480 | 170 | 511 | 460 | 550 | 30 | 25 | 35 | M20 | 100 | 130 | 34 | 26 | 25 | 14 | 9 | 858 | 225 | 284 | 279 |
| DHM 15 - F19 | 11 | 4 | 460 | 250 | 95 | 380 | 480 | 170 | 511 | 460 | 550 | 30 | 25 | 35 | M20 | 100 | 130 | 34 | 26 | 25 | 14 | 9 | 931 | 280 | 337 | 293 |
| DHM 20 - F19 | 15 | 4 | 460 | 250 | 95 | 380 | 480 | 170 | 511 | 460 | 550 | 30 | 25 | 35 | M20 | 100 | 130 | 34 | 26 | 25 | 14 | 9 | 967 | 280 | 337 | 346 |
| DHM 25 - F19 | 18.5 | 4 | 460 | 250 | 95 | 380 | 480 | 170 | 511 | 460 | 550 | 30 | 25 | 35 | M20 | 100 | 130 | 34 | 26 | 25 | 14 | 9 | 1052 | 338 | 432 | 418 |
| DHM 30 - F19 | 22 | 4 | 460 | 250 | 95 | 380 | 480 | 170 | 511 | 460 | 550 | 30 | 25 | 35 | M20 | 100 | 130 | 34 | 26 | 25 | 14 | 9 | 1052 | 338 | 432 | 418 |
| DHM 40 - F19 | 30 | 4 | 460 | 250 | 95 | 380 | 480 | 170 | 511 | 460 | 550 | 30 | 25 | 35 | M20 | 100 | 130 | 34 | 26 | 25 | 14 | 9 | 1105 | 410 | 486 | 433 |
| DHM 50 - F19 | 37 | 4 | 460 | 250 | 95 | 380 | 480 | 170 | 511 | 460 | 550 | 30 | 25 | 35 | M20 | 100 | 130 | 34 | 26 | 25 | 14 | 9 | 1145 | 410 | 496 | 471 |
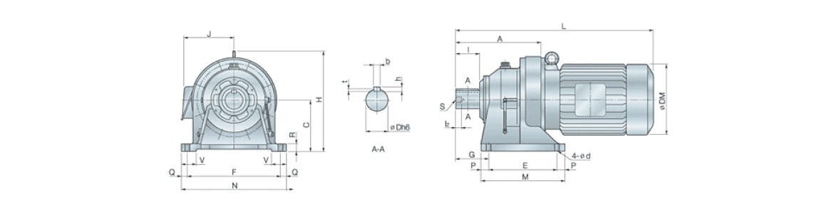
DHM-F20 ~ DHM-F22
DIMENSIONS
| 형식 | 용량 (KW) |
극수 | A | C | D | E | F | G | H | M | N | P | Q | R | S | V | I | I. | d | b | h | t | L | J | DM | 중량 (KG) |
|---|---|---|---|---|---|---|---|---|---|---|---|---|---|---|---|---|---|---|---|---|---|---|---|---|---|---|
| DHM 15 - F20 | 11 | 4 | 500 | 250 | 100 | 360 | 440 | 215 | 530 | 460 | 550 | 40 | 45 | 35 | M20 | 100 | 160 | 34 | 26 | 17 | 16 | 10 | 975 | 280 | 337 | 314 |
| DHM 20 - F20 | 15 | 4 | 500 | 250 | 100 | 360 | 440 | 215 | 530 | 460 | 550 | 40 | 45 | 35 | M20 | 100 | 160 | 34 | 26 | 17 | 16 | 10 | 1020 | 280 | 337 | 368 |
| DHM 25 - F20 | 18.5 | 4 | 500 | 250 | 100 | 360 | 440 | 215 | 530 | 460 | 550 | 40 | 45 | 35 | M20 | 100 | 160 | 34 | 26 | 17 | 16 | 10 | 1060 | 338 | 432 | 439 |
| DHM 30 - F20 | 22 | 4 | 500 | 250 | 100 | 360 | 440 | 215 | 530 | 460 | 550 | 40 | 45 | 35 | M20 | 100 | 160 | 34 | 26 | 17 | 16 | 10 | 1060 | 338 | 432 | 439 |
| DHM 40 - F20 | 30 | 4 | 500 | 250 | 100 | 360 | 440 | 215 | 530 | 460 | 550 | 40 | 45 | 35 | M20 | 100 | 160 | 34 | 26 | 17 | 16 | 10 | 1090 | 410 | 486 | 452 |
| DHM 50 - F20 | 37 | 4 | 500 | 250 | 100 | 360 | 440 | 215 | 530 | 460 | 550 | 40 | 45 | 35 | M20 | 100 | 160 | 34 | 26 | 17 | 16 | 10 | 1160 | 410 | 486 | 490 |
| DHM 15 - F21 | 11 | 4 | 570 | 290 | 110 | 480 | 560 | 215 | 550 | 560 | 620 | 40 | 30 | 40 | M20 | 100 | 170 | 34 | 26 | 17 | 16 | 10 | 1050 | 280 | 337 | 396 |
| DHM 20 - F21 | 15 | 4 | 570 | 290 | 110 | 480 | 560 | 215 | 550 | 560 | 620 | 40 | 30 | 40 | M20 | 100 | 170 | 34 | 26 | 17 | 16 | 10 | 1090 | 280 | 337 | 451 |
| DHM 25 - F21 | 18.5 | 4 | 570 | 290 | 110 | 480 | 560 | 215 | 550 | 560 | 620 | 40 | 30 | 40 | M20 | 100 | 170 | 34 | 26 | 17 | 16 | 10 | 1130 | 338 | 432 | 516 |
| DHM 30 - F21 | 22 | 4 | 570 | 290 | 110 | 480 | 560 | 215 | 550 | 560 | 620 | 40 | 30 | 40 | M20 | 100 | 170 | 34 | 26 | 17 | 16 | 10 | 1130 | 338 | 432 | 516 |
| DHM 40 - F21 | 30 | 4 | 570 | 290 | 110 | 480 | 560 | 215 | 550 | 560 | 620 | 40 | 30 | 40 | M20 | 100 | 170 | 34 | 26 | 17 | 16 | 10 | 1220 | 410 | 486 | 529 |
| DHM 50 - F21 | 37 | 4 | 570 | 290 | 110 | 480 | 560 | 215 | 550 | 560 | 620 | 40 | 30 | 40 | M20 | 100 | 170 | 34 | 26 | 17 | 16 | 10 | 1220 | 410 | 486 | 567 |
| DHM 60 - F21 | 45 | 4 | 570 | 290 | 110 | 480 | 560 | 215 | 550 | 560 | 620 | 40 | 30 | 40 | M20 | 100 | 170 | 34 | 26 | 17 | 16 | 10 | 1250 | 410 | 486 | 567 |
| DHM 75 - F21 | 55 | 4 | 570 | 290 | 110 | 480 | 560 | 215 | 550 | 560 | 620 | 40 | 30 | 40 | M20 | 100 | 170 | 34 | 26 | 17 | 16 | 10 | 1270 | 410 | 486 | 677 |
| DHM 25 - F22 | 18.5 | 4 | 656 | 325 | 120 | 500 | 630 | 230 | 610 | 600 | 690 | 50 | 30 | 40 | M20 | 105 | 150 | 42 | 33 | 32 | 18 | 11 | 1220 | 338 | 432 | 595 |
| DHM 30 - F22 | 22 | 4 | 656 | 325 | 120 | 500 | 630 | 230 | 610 | 600 | 690 | 50 | 30 | 40 | M20 | 105 | 150 | 42 | 33 | 32 | 18 | 11 | 1220 | 338 | 432 | 595 |
| DHM 40 - F22 | 30 | 4 | 656 | 325 | 120 | 500 | 630 | 230 | 610 | 600 | 690 | 50 | 30 | 40 | M20 | 105 | 150 | 42 | 33 | 32 | 18 | 11 | 1310 | 410 | 486 | 610 |
| DHM 50 - F22 | 37 | 4 | 656 | 325 | 120 | 500 | 630 | 230 | 610 | 600 | 690 | 50 | 30 | 40 | M20 | 105 | 150 | 42 | 33 | 32 | 18 | 11 | 1310 | 410 | 486 | 650 |
| DHM 60 - F22 | 45 | 4 | 656 | 325 | 120 | 500 | 630 | 230 | 610 | 600 | 690 | 50 | 30 | 40 | M20 | 105 | 150 | 42 | 33 | 32 | 18 | 11 | 1340 | 410 | 486 | 650 |
| DHM 75 - F22 | 55 | 4 | 656 | 325 | 120 | 500 | 630 | 230 | 610 | 600 | 690 | 50 | 30 | 40 | M20 | 105 | 150 | 42 | 33 | 32 | 18 | 11 | 1360 | 410 | 486 | 745 |
| DHM - F21N | 526 | 265 | 110 | 395 | 480 | 210 | 575 | 475 | 580 | 40 | 50 | 40 | M20 | 110 | 160 | 34 | 26 | 28 | 16 | 10 | ||||||
| DHM - F22N | 566 | 280 | 120 | 420 | 540 | 230 | 610 | 520 | 620 | 50 | 40 | 40 | M20 | 115 | 170 | 34 | 33 | 32 | 18 | 11 |
DHM-F23 ~ F26 형식은 특별주문 제작 사양이므로 연락주시면 즉시 도면을 보내드립니다.
DHM-F0807 ~ DHM-F1310
DIMENSIONS
| 형식 | 용량 (KW) |
극수 | A | C | D | E | F | G | H | M | N | P | Q | R | V | I | d | b | h | t | L | 중량 (KG) |
|---|---|---|---|---|---|---|---|---|---|---|---|---|---|---|---|---|---|---|---|---|---|---|
| DHM01 - F0807 | 0.1 | 4 | 131 | 80 | 18 | 60 | 120 | 47 | 140 | 85 | 145 | 12 | 12 | 12 | 35 | 30 | 9 | 6 | 6 | 3.5 | 265 | 8 |
| DHM01 - F0908 | 0.1 | 4 | 190 | 100 | 28 | 90 | 150 | 60 | 207 | 135 | 185 | 25 | 15 | 15 | 42 | 35 | 11 | 8 | 7 | 4 | 324 | 16 |
| DHM02 - F0908 | 0.2 | 4 | 190 | 100 | 28 | 90 | 150 | 60 | 207 | 135 | 185 | 25 | 15 | 15 | 42 | 35 | 11 | 8 | 7 | 4 | 395 | 18 |
| DHM01 - F1008 | 0.1 | 4 | 204 | 100 | 28 | 90 | 150 | 60 | 207 | 140 | 185 | 30 | 15 | 15 | 42 | 35 | 11 | 8 | 7 | 4 | 338 | 18 |
| DHM02 - F1008 | 0.2 | 4 | 204 | 100 | 28 | 90 | 150 | 60 | 207 | 140 | 185 | 30 | 15 | 15 | 42 | 35 | 11 | 8 | 7 | 4 | 409 | 20 |
| DHM05 - F1008 | 0.4 | 4 | 204 | 100 | 28 | 90 | 150 | 60 | 207 | 140 | 185 | 30 | 15 | 15 | 42 | 35 | 11 | 8 | 7 | 4 | 443 | 21 |
| DHM01 - F1108 | 0.1 | 4 | 235 | 120 | 38 | 115 | 190 | 82 | 257 | 160 | 235 | 20 | 20 | 18 | 57 | 50 | 14 | 10 | 8 | 5 | 374 | 29 |
| DHM02 - F1108 | 0.2 | 4 | 235 | 120 | 38 | 115 | 190 | 82 | 257 | 160 | 235 | 20 | 20 | 18 | 57 | 50 | 14 | 10 | 8 | 5 | 445 | 31 |
| DHM05 - F1108 | 0.4 | 4 | 235 | 120 | 38 | 115 | 190 | 82 | 257 | 160 | 235 | 20 | 20 | 18 | 57 | 50 | 14 | 10 | 8 | 5 | 479 | 32 |
| DHM01 - F1109 | 0.1 | 4 | 247 | 120 | 38 | 115 | 190 | 82 | 257 | 160 | 235 | 20 | 20 | 18 | 57 | 50 | 14 | 10 | 8 | 5 | 396 | 32 |
| DHM 1 - F1109 | 0.75 | 4 | 247 | 120 | 38 | 115 | 190 | 82 | 257 | 160 | 235 | 20 | 20 | 18 | 57 | 50 | 14 | 10 | 8 | 5 | 491 | 39 |
| DHM02 - F1308 | 0.2 | 4 | 289 | 150 | 50 | 145 | 290 | 100 | 300 | 200 | 335 | 25 | 20 | 25 | 67 | 65 | 18 | 14 | 9 | 5.5 | 499 | 47 |
| DHM02 - F1309 | 0.2 | 4 | 299 | 150 | 50 | 145 | 290 | 100 | 300 | 200 | 335 | 25 | 20 | 25 | 67 | 65 | 18 | 14 | 9 | 5.5 | 508 | 49 |
| DHM05 - F1309 | 0.4 | 4 | 299 | 150 | 50 | 145 | 290 | 100 | 300 | 200 | 335 | 25 | 20 | 25 | 67 | 65 | 18 | 14 | 9 | 5.5 | 542 | 50 |
| DHM 1 - F1309 | 0.75 | 4 | 299 | 150 | 50 | 145 | 290 | 100 | 300 | 200 | 335 | 25 | 20 | 25 | 67 | 65 | 18 | 14 | 9 | 5.5 | 542 | 54 |
| DHM 1 - F1310 | 0.75 | 4 | 312 | 150 | 50 | 145 | 290 | 100 | 270 | 200 | 335 | 25 | 20 | 25 | 67 | 65 | 18 | 14 | 9 | 5.5 | 556 | 56 |
| DHM 2 - F1310 | 1.5 | 4 | 312 | 150 | 50 | 145 | 290 | 100 | 270 | 200 | 335 | 25 | 20 | 25 | 67 | 65 | 18 | 14 | 9 | 5.5 | 602 | 60 |
DHM-F1408 ~ DHM-F1710
DIMENSIONS
| 형식 | 용량 (KW) |
극수 | A | C | D | E | F | G | H | M | N | P | Q | R | S | V | I | I. | d | b | h | t | L | 중량 (KG) |
|---|---|---|---|---|---|---|---|---|---|---|---|---|---|---|---|---|---|---|---|---|---|---|---|---|
| DHM02 - F1408 | 0.2 | 4 | 309 | 150 | 50 | 145 | 290 | 120 | 300 | 200 | 335 | 25 | 20 | 25 | M10 | 67 | 85 | 18 | 18 | 14 | 9 | 5.5 | 519 | 47 |
| DHM02 - F1409 | 0.2 | 4 | 318 | 150 | 50 | 145 | 290 | 120 | 300 | 200 | 335 | 25 | 20 | 25 | M10 | 67 | 85 | 18 | 18 | 14 | 9 | 5.5 | 528 | 49 |
| DHM05 - F1409 | 0.4 | 4 | 318 | 150 | 50 | 145 | 290 | 120 | 300 | 200 | 335 | 25 | 20 | 25 | M10 | 67 | 85 | 18 | 18 | 14 | 9 | 5.5 | 562 | 50 |
| DHM 1 - F1409 | 0.75 | 4 | 318 | 150 | 50 | 145 | 290 | 120 | 300 | 200 | 335 | 25 | 20 | 25 | M10 | 67 | 85 | 18 | 18 | 14 | 9 | 5.5 | 562 | 54 |
| DHM 1 - F1410 | 0.75 | 4 | 332 | 150 | 50 | 145 | 290 | 120 | 300 | 200 | 335 | 25 | 20 | 25 | M10 | 67 | 85 | 18 | 18 | 14 | 9 | 5.5 | 576 | 55 |
| DHM 2 - F1410 | 1.5 | 4 | 332 | 150 | 50 | 145 | 290 | 120 | 300 | 200 | 335 | 25 | 20 | 25 | M10 | 67 | 85 | 18 | 18 | 14 | 9 | 5.5 | 625 | 59 |
| DHM 3 - F1410 | 2.2 | 4 | 332 | 150 | 50 | 145 | 290 | 120 | 300 | 200 | 335 | 25 | 20 | 25 | M10 | 67 | 85 | 18 | 18 | 14 | 9 | 5.5 | 625 | 63 |
| DHM02 - F1609 | 0.2 | 4 | 369 | 160 | 60 | 150 | 370 | 139 | 349 | 245 | 420 | 44 | 20 | 28 | M10 | 80 | 85 | 18 | 18 | 18 | 11 | 7 | 578 | 91 |
| DHM05 - F1609 | 0.4 | 4 | 369 | 160 | 60 | 150 | 370 | 139 | 349 | 245 | 420 | 44 | 20 | 28 | M10 | 80 | 85 | 18 | 18 | 18 | 11 | 7 | 612 | 92 |
| DHM 1 - F1609 | 0.75 | 4 | 369 | 160 | 60 | 150 | 370 | 139 | 349 | 245 | 420 | 44 | 20 | 28 | M10 | 80 | 85 | 18 | 18 | 18 | 11 | 7 | 612 | 96 |
| DHM02 - F1610 | 0.2 | 4 | 382 | 160 | 60 | 150 | 370 | 139 | 349 | 245 | 420 | 44 | 20 | 28 | M10 | 80 | 85 | 18 | 18 | 18 | 11 | 7 | 626 | 99 |
| DHM05 - F1610 | 0.4 | 4 | 382 | 160 | 60 | 150 | 370 | 139 | 349 | 245 | 420 | 44 | 20 | 28 | M10 | 80 | 85 | 18 | 18 | 18 | 11 | 7 | 615 | 105 |
| DHM 1 - F1610 | 0.75 | 4 | 382 | 160 | 60 | 150 | 370 | 139 | 349 | 245 | 420 | 44 | 20 | 28 | M10 | 80 | 85 | 18 | 18 | 18 | 11 | 7 | 670 | 110 |
| DHM 3 - F1610 | 2.2 | 4 | 384 | 160 | 60 | 150 | 370 | 139 | 349 | 245 | 420 | 44 | 20 | 28 | M10 | 80 | 85 | 18 | 18 | 18 | 11 | 7 | 672 | 110 |
| DHM 5 - F1610 | 3.7 | 4 | 384 | 160 | 60 | 150 | 370 | 139 | 349 | 245 | 420 | 44 | 20 | 28 | M10 | 80 | 85 | 18 | 18 | 18 | 11 | 7 | 699 | 120 |
| DHM02 - F1709 | 0.2 | 4 | 413 | 200 | 70 | 275 | 380 | 125 | 416 | 340 | 440 | 30 | 25 | 35 | M12 | 85 | 85 | 24 | 22 | 20 | 12 | 7.5 | 623 | 120 |
| DHM05 - F1709 | 0.4 | 4 | 413 | 200 | 70 | 275 | 380 | 125 | 416 | 340 | 440 | 30 | 25 | 35 | M12 | 85 | 85 | 24 | 22 | 20 | 12 | 7.5 | 657 | 126 |
| DHM 1 - F1709 | 0.75 | 4 | 413 | 200 | 70 | 275 | 380 | 125 | 416 | 340 | 440 | 30 | 25 | 35 | M12 | 85 | 85 | 24 | 22 | 20 | 12 | 7.5 | 657 | 130 |
| DHM 1 - F1710 | 0.75 | 4 | 427 | 200 | 70 | 275 | 380 | 125 | 416 | 340 | 440 | 30 | 25 | 35 | M12 | 85 | 85 | 24 | 22 | 20 | 12 | 7.5 | 671 | 132 |
| DHM 2 - F1710 | 1.5 | 4 | 427 | 200 | 70 | 275 | 380 | 125 | 416 | 340 | 440 | 30 | 25 | 35 | M12 | 85 | 85 | 24 | 22 | 20 | 12 | 7.5 | 720 | 136 |
| DHM 3 - F1710 | 2.2 | 4 | 427 | 200 | 70 | 275 | 380 | 125 | 416 | 340 | 440 | 30 | 25 | 35 | M12 | 85 | 85 | 24 | 22 | 20 | 12 | 7.5 | 725 | 140 |
DHM-F1711 ~ DHM-F1913
DIMENSIONS
| 형식 | 용량 (KW) |
극수 | A | C | D | E | F | G | H | M | N | P | Q | R | S | V | I | I. | d | b | h | t | L | 중량 (KG) |
|---|---|---|---|---|---|---|---|---|---|---|---|---|---|---|---|---|---|---|---|---|---|---|---|---|
| DHM 2 - F1711 | 1.5 | 4 | 431 | 200 | 70 | 275 | 380 | 125 | 416 | 340 | 440 | 30 | 25 | 35 | M12 | 85 | 85 | 24 | 22 | 20 | 12 | 7.5 | 724 | 141 |
| DHM 3 - F1711 | 2.2 | 4 | 431 | 200 | 70 | 275 | 380 | 125 | 416 | 340 | 440 | 30 | 25 | 35 | M12 | 85 | 85 | 24 | 22 | 20 | 12 | 7.5 | 724 | 145 |
| DHM 5 - F1711 | 3.7 | 4 | 431 | 200 | 70 | 275 | 380 | 125 | 416 | 340 | 440 | 30 | 25 | 35 | M12 | 85 | 85 | 24 | 22 | 20 | 12 | 7.5 | 726 | 155 |
| DHM05 - F1810 | 0.4 | 4 | 469 | 220 | 80 | 320 | 420 | 145 | 451 | 390 | 480 | 30 | 25 | 35 | M12 | 90 | 105 | 24 | 22 | 22 | 14 | 9 | 713 | 171 |
| DHM 1 - F1810 | 0.75 | 4 | 469 | 220 | 80 | 320 | 420 | 145 | 451 | 390 | 480 | 30 | 25 | 35 | M12 | 90 | 105 | 24 | 22 | 22 | 14 | 9 | 720 | 175 |
| DHM 2 - F1810 | 1.5 | 4 | 469 | 220 | 80 | 320 | 420 | 145 | 451 | 390 | 480 | 30 | 25 | 35 | M12 | 90 | 105 | 24 | 22 | 22 | 14 | 9 | 756 | 179 |
| DHM 3 - F1810 | 2.2 | 4 | 469 | 220 | 80 | 320 | 420 | 145 | 451 | 390 | 480 | 30 | 25 | 35 | M12 | 90 | 105 | 24 | 22 | 22 | 14 | 9 | 763 | 183 |
| DHM 2 - F1813 | 1.5 | 4 | 491 | 220 | 80 | 320 | 420 | 145 | 451 | 390 | 480 | 30 | 25 | 35 | M12 | 90 | 105 | 24 | 22 | 22 | 14 | 9 | 778 | 194 |
| DHM 3 - F1813 | 2.2 | 4 | 491 | 220 | 80 | 320 | 420 | 145 | 451 | 390 | 480 | 30 | 25 | 35 | M12 | 90 | 105 | 24 | 22 | 22 | 14 | 9 | 785 | 197 |
| DHM 5 - F1813 | 3.7 | 4 | 491 | 220 | 80 | 320 | 420 | 145 | 451 | 390 | 480 | 30 | 25 | 35 | M12 | 90 | 105 | 24 | 22 | 22 | 14 | 9 | 806 | 207 |
| DHM 8 - F1813 | 5.5 | 4 | 491 | 220 | 80 | 320 | 420 | 145 | 451 | 390 | 480 | 30 | 25 | 35 | M12 | 90 | 105 | 24 | 22 | 22 | 14 | 9 | 856 | 214 |
| DHM 10 - F1813 | 7.5 | 4 | 491 | 220 | 80 | 320 | 420 | 145 | 451 | 390 | 480 | 30 | 25 | 35 | M12 | 90 | 105 | 24 | 22 | 22 | 14 | 9 | 883 | 229 |
| DHM 1 - F1911 | 0.75 | 4 | 551 | 250 | 95 | 380 | 480 | 170 | 551 | 460 | 550 | 30 | 25 | 35 | M20 | 100 | 130 | 34 | 26 | 25 | 14 | 9 | 795 | 250 |
| DHM 2 - F1911 | 1.5 | 4 | 551 | 250 | 95 | 380 | 480 | 170 | 551 | 460 | 550 | 30 | 25 | 35 | M20 | 100 | 130 | 34 | 26 | 25 | 14 | 9 | 838 | 251 |
| DHM 3 - F1911 | 2.2 | 4 | 551 | 250 | 95 | 380 | 480 | 170 | 551 | 460 | 550 | 30 | 25 | 35 | M20 | 100 | 130 | 34 | 26 | 25 | 14 | 9 | 845 | 258 |
| DHM 5 - F1911 | 3.7 | 4 | 551 | 250 | 95 | 380 | 480 | 170 | 551 | 460 | 550 | 30 | 25 | 35 | M20 | 100 | 130 | 34 | 26 | 25 | 14 | 9 | 866 | 268 |
| DHM 3 - F1913 | 2.2 | 4 | 567 | 250 | 95 | 380 | 480 | 170 | 551 | 460 | 550 | 30 | 25 | 35 | M20 | 100 | 130 | 34 | 26 | 25 | 14 | 9 | 861 | 265 |
| DHM 5 - F1913 | 3.7 | 4 | 567 | 250 | 95 | 380 | 480 | 170 | 551 | 460 | 550 | 30 | 25 | 35 | M20 | 100 | 130 | 34 | 26 | 25 | 14 | 9 | 882 | 275 |
| DHM 8 - F1913 | 5.5 | 4 | 567 | 250 | 95 | 380 | 480 | 170 | 551 | 460 | 550 | 30 | 25 | 35 | M20 | 100 | 130 | 34 | 26 | 25 | 14 | 9 | 932 | 282 |
| DHM 10 - F1913 | 7.5 | 4 | 567 | 250 | 95 | 380 | 480 | 170 | 551 | 460 | 550 | 30 | 25 | 35 | M20 | 100 | 130 | 34 | 26 | 25 | 14 | 9 | 959 | 297 |
DHM-F2011 ~ DHM-F2217
DIMENSIONS
| 형식 | 용량 (KW) |
극수 | A | C | D | E | F | G | H | M | N | P | Q | R | S | V | I | I. | d | b | h | t | L | 중량 (KG) |
|---|---|---|---|---|---|---|---|---|---|---|---|---|---|---|---|---|---|---|---|---|---|---|---|---|
| DHM 1 - F2011N | 0.75 | 4 | 595 | 250 | 100 | 360 | 440 | 215 | 530 | 450 | 540 | 45 | 50 | 36 | M20 | 100 | 170 | 34 | 26 | 28 | 16 | 10 | 895 | 275 |
| DHM 2 - F2011N | 1.5 | 4 | 595 | 250 | 100 | 360 | 440 | 215 | 530 | 450 | 540 | 45 | 50 | 36 | M20 | 100 | 170 | 34 | 26 | 28 | 16 | 10 | 950 | 279 |
| DHM 3 - F2013N | 2.2 | 4 | 626 | 250 | 100 | 360 | 440 | 215 | 530 | 450 | 540 | 45 | 50 | 36 | M20 | 100 | 170 | 34 | 26 | 28 | 16 | 10 | 1010 | 290 |
| DHM 5 - F2013N | 3.7 | 4 | 626 | 250 | 100 | 360 | 440 | 215 | 530 | 450 | 540 | 45 | 50 | 36 | M20 | 100 | 170 | 34 | 26 | 28 | 16 | 10 | 1020 | 300 |
| DHM 8 - F2013N | 5.5 | 4 | 626 | 250 | 100 | 360 | 440 | 215 | 530 | 450 | 540 | 45 | 50 | 36 | M20 | 100 | 170 | 34 | 26 | 28 | 16 | 10 | 1090 | 309 |
| DHM 10 - F2013N | 7.5 | 4 | 626 | 250 | 100 | 360 | 440 | 215 | 530 | 450 | 540 | 45 | 50 | 36 | M20 | 100 | 170 | 34 | 26 | 28 | 16 | 10 | 1120 | 323 |
| DHM 2 - F2113 | 1.5 | 4 | 677 | 290 | 110 | 480 | 560 | 185 | 620 | 565 | 626 | 42 | 32 | 42 | M20 | 100 | 142 | 34 | 26 | 28 | 16 | 10 | 1030 | 368 |
| DHM 3 - F2113 | 2.2 | 4 | 677 | 290 | 110 | 480 | 560 | 185 | 620 | 565 | 626 | 42 | 32 | 42 | M20 | 100 | 142 | 34 | 26 | 28 | 16 | 10 | 1060 | 371 |
| DHM 5 - F2113 | 3.7 | 4 | 677 | 290 | 110 | 480 | 560 | 185 | 620 | 565 | 626 | 42 | 32 | 42 | M20 | 100 | 142 | 34 | 26 | 28 | 16 | 10 | 1070 | 385 |
| DHM 8 - F2113 | 5.5 | 4 | 677 | 290 | 110 | 480 | 560 | 185 | 620 | 565 | 626 | 42 | 32 | 42 | M20 | 100 | 142 | 34 | 26 | 28 | 16 | 10 | 1140 | 391 |
| DHM 10 - F2113 | 7.5 | 4 | 677 | 290 | 110 | 480 | 560 | 185 | 620 | 565 | 626 | 42 | 32 | 42 | M20 | 100 | 142 | 34 | 26 | 28 | 16 | 10 | 1180 | 406 |
| DHM 10 - F2116 | 7.5 | 4 | 706 | 290 | 110 | 480 | 560 | 210 | 620 | 565 | 626 | 42 | 32 | 42 | M20 | 100 | 167 | 34 | 26 | 28 | 16 | 10 | 1205 | 426 |
| DHM 15 - F2116 | 11 | 4 | 706 | 290 | 110 | 480 | 560 | 210 | 620 | 565 | 626 | 42 | 32 | 42 | M20 | 100 | 167 | 34 | 26 | 28 | 16 | 10 | 1300 | 437 |
| DHM 2 - F2213 | 1.5 | 4 | 711 | 325 | 120 | 500 | 630 | 230 | 620 | 605 | 700 | 52 | 32 | 42 | M20 | 105 | 152 | 34 | 26 | 32 | 18 | 11 | 1060 | 442 |
| DHM 3 - F2213 | 2.2 | 4 | 711 | 325 | 120 | 500 | 630 | 230 | 620 | 605 | 700 | 52 | 32 | 42 | M20 | 105 | 152 | 34 | 26 | 32 | 18 | 11 | 1100 | 445 |
| DHM 5 - F2213 | 3.7 | 4 | 711 | 325 | 120 | 500 | 630 | 230 | 620 | 605 | 700 | 52 | 32 | 42 | M20 | 105 | 152 | 34 | 26 | 32 | 18 | 11 | 1110 | 456 |
| DHM 8 - F2213 | 5.5 | 4 | 711 | 325 | 120 | 500 | 630 | 230 | 620 | 605 | 700 | 52 | 32 | 42 | M20 | 105 | 152 | 34 | 26 | 32 | 18 | 11 | 1170 | 462 |
| DHM 10 - F2213 | 7.5 | 4 | 711 | 325 | 120 | 500 | 630 | 230 | 620 | 605 | 700 | 52 | 32 | 42 | M20 | 105 | 152 | 34 | 26 | 32 | 18 | 11 | 1210 | 478 |
| DHM 8 - F2217 | 5.5 | 4 | 724 | 325 | 120 | 500 | 630 | 230 | 620 | 605 | 700 | 52 | 32 | 42 | M20 | 105 | 152 | 34 | 26 | 32 | 18 | 11 | 1180 | 507 |
| DHM 10 - F2217 | 7.5 | 4 | 724 | 325 | 120 | 500 | 630 | 230 | 620 | 605 | 700 | 52 | 32 | 42 | M20 | 105 | 152 | 34 | 26 | 32 | 18 | 11 | 1220 | 523 |
| DHM 15 - F2217 | 11 | 4 | 724 | 325 | 120 | 500 | 630 | 230 | 620 | 605 | 700 | 52 | 32 | 42 | M20 | 105 | 152 | 34 | 26 | 32 | 18 | 11 | 1320 | 537 |
| DHM 20 - F2217 | 15 | 4 | 724 | 325 | 120 | 500 | 630 | 230 | 620 | 605 | 700 | 52 | 32 | 42 | M20 | 105 | 152 | 34 | 26 | 32 | 18 | 11 | 1360 | 592 |
| DHM 25 - F2217 | 18.5 | 4 | 724 | 325 | 120 | 500 | 630 | 230 | 620 | 605 | 700 | 52 | 32 | 42 | M20 | 105 | 152 | 34 | 26 | 32 | 18 | 11 | 1420 | 659 |
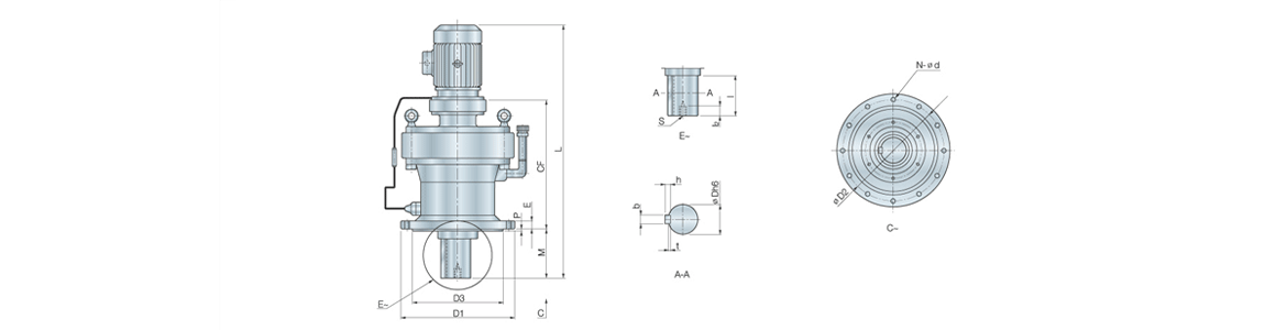
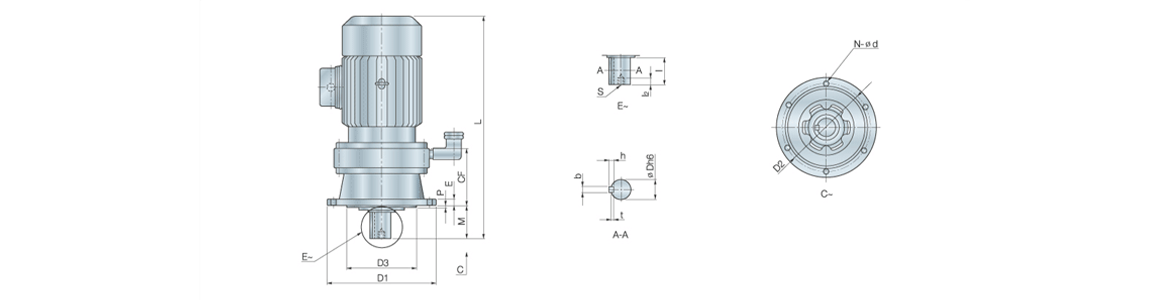
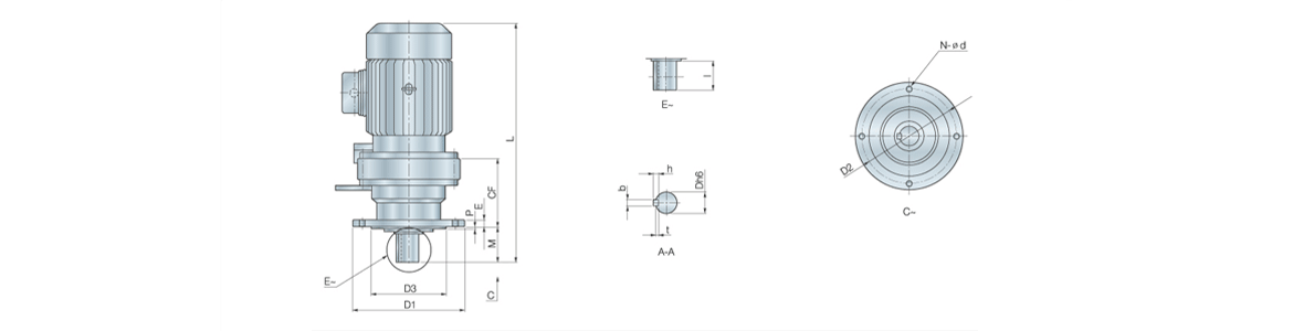
DVM-F08 ~ DVM-F11
DIMENSIONS
| 형식 | 용량 (KW) |
극수 | CF | D | D1 | D2 | D3 | E | M | N | P | d | I | b | h | t | L | 중량 (KG) |
|---|---|---|---|---|---|---|---|---|---|---|---|---|---|---|---|---|---|---|
| DVM02 - F08 | 0.2 | 4 | 56 | 18 | 165 | 134 | 110 | 9 | 42 | 4 | 3 | 11 | 30 | 6 | 6 | 3.5 | 303 | 10 |
| DVM05 - F08 | 0.4 | 4 | 56 | 18 | 165 | 134 | 110 | 9 | 42 | 4 | 3 | 11 | 30 | 6 | 6 | 3.5 | 337 | 11 |
| DVM02 - F09 | 0.2 | 4 | 94 | 28 | 165 | 134 | 110 | 9 | 42 | 4 | 3 | 11 | 35 | 8 | 7 | 4 | 116 | 14 |
| DVM05 - F09 | 0.4 | 4 | 94 | 28 | 165 | 134 | 110 | 9 | 42 | 4 | 3 | 11 | 35 | 8 | 7 | 4 | 142 | 15 |
| DVM 1 - F09 | 0.75 | 4 | 94 | 28 | 165 | 134 | 110 | 9 | 42 | 4 | 3 | 11 | 35 | 8 | 7 | 4 | 142 | 19 |
| DVM02 - F10 | 0.2 | 4 | 108 | 28 | 165 | 134 | 110 | 9 | 42 | 4 | 3 | 11 | 35 | 8 | 7 | 4 | 116 | 16 |
| DVM05 - F10 | 0.4 | 4 | 108 | 28 | 165 | 134 | 110 | 9 | 42 | 4 | 3 | 11 | 35 | 8 | 7 | 4 | 142 | 17 |
| DVM 1 - F10 | 0.75 | 4 | 108 | 28 | 165 | 134 | 110 | 9 | 42 | 4 | 3 | 11 | 35 | 8 | 7 | 4 | 142 | 21 |
| DVM 2 - F10 | 1.5 | 4 | 108 | 28 | 165 | 134 | 110 | 9 | 42 | 4 | 3 | 11 | 35 | 8 | 7 | 4 | 158 | 25 |
| DVM 3 - F10 | 2.2 | 4 | 108 | 28 | 165 | 134 | 110 | 9 | 42 | 4 | 3 | 11 | 35 | 8 | 7 | 4 | 205 | 29 |
| DVM05 - F11 | 0.4 | 4 | 117 | 38 | 215 | 180 | 140 | 13 | 64 | 6 | 4 | 11 | 50 | 10 | 8 | 5 | 429 | 29 |
| DVM 1 - F11 | 0.75 | 4 | 117 | 38 | 215 | 180 | 140 | 13 | 64 | 6 | 4 | 11 | 50 | 10 | 8 | 5 | 429 | 31 |
| DVM 2 - F11 | 1.5 | 4 | 117 | 38 | 215 | 180 | 140 | 13 | 64 | 6 | 4 | 11 | 50 | 10 | 8 | 5 | 474 | 35 |
| DVM 3 - F11 | 2.2 | 4 | 117 | 38 | 215 | 180 | 140 | 13 | 64 | 6 | 4 | 11 | 50 | 10 | 8 | 5 | 469 | 39 |
| DVM 5 - F11 | 3.7 | 4 | 117 | 38 | 215 | 180 | 140 | 13 | 64 | 6 | 4 | 11 | 50 | 10 | 8 | 5 | 496 | 49 |
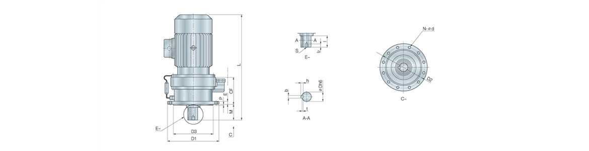
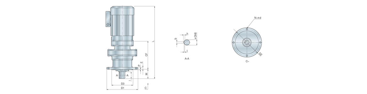
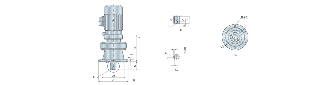
DVM-F13 ~ DVM-F16
DIMENSIONS
| 형식 | 용량 (KW) |
극수 | CF | D | D1 | D2 | D3 | E | M | N | P | S | d | I | I. | b | h | t | L | 중량 (KG) |
|---|---|---|---|---|---|---|---|---|---|---|---|---|---|---|---|---|---|---|---|---|
| DVM 1 - F13 | 0.75 | 4 | 164 | 50 | 265 | 230 | 200 | 15 | 71 | 6 | 4 | M10 | 11 | 56 | 18 | 14 | 9 | 5.5 | 480 | 51 |
| DVM 2 - F13 | 1.5 | 4 | 164 | 50 | 265 | 230 | 200 | 15 | 71 | 6 | 4 | M10 | 11 | 56 | 18 | 14 | 9 | 5.5 | 522 | 55 |
| DVM 3 - F13 | 2.2 | 4 | 164 | 50 | 265 | 230 | 200 | 15 | 71 | 6 | 4 | M10 | 11 | 56 | 18 | 14 | 9 | 5.5 | 529 | 58 |
| DVM 5 - F13 | 3.7 | 4 | 164 | 50 | 265 | 230 | 200 | 15 | 71 | 6 | 4 | M10 | 11 | 56 | 18 | 14 | 9 | 5.5 | 550 | 68 |
| DVM 8 - F13 | 5.5 | 4 | 164 | 50 | 265 | 230 | 200 | 15 | 71 | 6 | 4 | M10 | 11 | 56 | 18 | 14 | 9 | 5.5 | 600 | 75 |
| DVM 10 - F13 | 7.5 | 4 | 164 | 50 | 265 | 230 | 200 | 15 | 71 | 6 | 4 | M10 | 11 | 56 | 18 | 14 | 9 | 5.5 | 627 | 90 |
| DVM 1 - F14 | 0.75 | 4 | 164 | 50 | 265 | 230 | 200 | 15 | 91 | 6 | 4 | M10 | 11 | 76 | 18 | 14 | 9 | 5.5 | 500 | 52 |
| DVM 2 - F14 | 1.5 | 4 | 164 | 50 | 265 | 230 | 200 | 15 | 91 | 6 | 4 | M10 | 11 | 76 | 18 | 14 | 9 | 5.5 | 554 | 56 |
| DVM 3 - F14 | 2.2 | 4 | 164 | 50 | 265 | 230 | 200 | 15 | 91 | 6 | 4 | M10 | 11 | 76 | 18 | 14 | 9 | 5.5 | 549 | 59 |
| DVM 5 - F14 | 3.7 | 4 | 164 | 50 | 265 | 230 | 200 | 15 | 91 | 6 | 4 | M10 | 11 | 76 | 18 | 14 | 9 | 5.5 | 570 | 69 |
| DVM 8 - F14 | 5.5 | 4 | 164 | 50 | 265 | 230 | 200 | 15 | 91 | 6 | 4 | M10 | 11 | 76 | 18 | 14 | 9 | 5.5 | 620 | 74 |
| DVM 10 - F14 | 7.5 | 4 | 164 | 50 | 265 | 230 | 200 | 15 | 91 | 6 | 4 | M10 | 11 | 76 | 18 | 14 | 9 | 5.5 | 649 | 91 |
| DVM 2 - F16 | 1.5 | 4 | 219 | 60 | 345 | 310 | 270 | 20 | 84 | 6 | 4 | M10 | 11 | 75 | 18 | 18 | 11 | 7 | 590 | 89 |
| DVM 3 - F16 | 2.2 | 4 | 219 | 60 | 345 | 310 | 270 | 20 | 84 | 6 | 4 | M10 | 11 | 75 | 18 | 18 | 11 | 7 | 591 | 92 |
| DVM 5 - F16 | 3.7 | 4 | 219 | 60 | 345 | 310 | 270 | 20 | 84 | 6 | 4 | M10 | 11 | 75 | 18 | 18 | 11 | 7 | 612 | 101 |
| DVM 8 - F16 | 5.5 | 4 | 219 | 60 | 345 | 310 | 270 | 20 | 84 | 6 | 4 | M10 | 11 | 75 | 18 | 18 | 11 | 7 | 663 | 108 |
| DVM 10 - F16 | 7.5 | 4 | 219 | 60 | 345 | 310 | 270 | 20 | 84 | 6 | 4 | M10 | 11 | 75 | 18 | 18 | 11 | 7 | 695 | 124 |
| DVM 15 - F16 | 11 | 4 | 219 | 60 | 345 | 310 | 270 | 20 | 84 | 6 | 4 | M10 | 11 | 75 | 18 | 18 | 11 | 7 | 761 | 138 |
| DVM 20 - F16 | 15 | 4 | 219 | 60 | 345 | 310 | 270 | 20 | 84 | 6 | 4 | M10 | 11 | 75 | 18 | 18 | 11 | 7 | 807 | 191 |
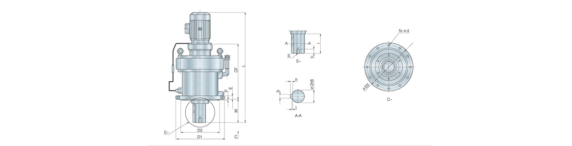
DVM-F17 ~ DVM-F19
DIMENSIONS
| 형식 | 용량 (KW) |
극수 | CF | D | D1 | D2 | D3 | E | M | N | P | S | d | I | I. | b | h | t | L | 중량 (KG) |
|---|---|---|---|---|---|---|---|---|---|---|---|---|---|---|---|---|---|---|---|---|
| DVM 5 - F17 | 3.7 | 4 | 258 | 70 | 405 | 360 | 316 | 22 | 89 | 8 | 5 | M12 | 14 | 79 | 24 | 20 | 12 | 7.5 | 665 | 114 |
| DVM 8 - F17 | 5.5 | 4 | 258 | 70 | 405 | 360 | 316 | 22 | 89 | 8 | 5 | M12 | 14 | 79 | 24 | 20 | 12 | 7.5 | 714 | 151 |
| DVM10 - F17 | 7.5 | 4 | 258 | 70 | 405 | 360 | 316 | 22 | 89 | 8 | 5 | M12 | 14 | 79 | 24 | 20 | 12 | 7.5 | 746 | 166 |
| DVM15 - F17 | 11 | 4 | 258 | 70 | 405 | 360 | 316 | 22 | 89 | 8 | 5 | M12 | 14 | 79 | 24 | 20 | 12 | 7.5 | 813 | 180 |
| DVM20 - F17 | 15 | 4 | 258 | 70 | 405 | 360 | 316 | 22 | 89 | 8 | 5 | M12 | 14 | 79 | 24 | 20 | 12 | 7.5 | 851 | 234 |
| DVM 25 - F17 | 18.5 | 4 | 258 | 70 | 405 | 360 | 316 | 22 | 89 | 8 | 5 | M12 | 14 | 79 | 24 | 20 | 12 | 7.5 | 938 | 302 |
| DVM30 - F17 | 22 | 4 | 258 | 70 | 405 | 360 | 316 | 22 | 89 | 8 | 5 | M12 | 14 | 79 | 24 | 20 | 12 | 7.5 | 940 | 302 |
| DVM 5 - F18 | 3.7 | 4 | 279 | 80 | 440 | 390 | 345 | 22 | 105 | 8 | 5 | M12 | 18 | 95 | 24 | 22 | 14 | 9 | 720 | 170 |
| DVM 8 - F18 | 5.5 | 4 | 279 | 80 | 440 | 390 | 345 | 22 | 105 | 8 | 5 | M12 | 18 | 95 | 24 | 22 | 14 | 9 | 771 | 178 |
| DVM10 - F18 | 7.5 | 4 | 279 | 80 | 440 | 390 | 345 | 22 | 105 | 8 | 5 | M12 | 18 | 95 | 24 | 22 | 14 | 9 | 803 | 193 |
| DVM15 - F18 | 11 | 4 | 279 | 80 | 440 | 390 | 345 | 22 | 105 | 8 | 5 | M12 | 18 | 95 | 24 | 22 | 14 | 9 | 870 | 207 |
| DVM20 - F18 | 15 | 4 | 279 | 80 | 440 | 390 | 345 | 22 | 105 | 8 | 5 | M12 | 18 | 95 | 24 | 22 | 14 | 9 | 908 | 267 |
| DVM25 - F18 | 18.5 | 4 | 279 | 80 | 440 | 390 | 345 | 22 | 105 | 8 | 5 | M12 | 18 | 95 | 24 | 22 | 14 | 9 | 993 | 329 |
| DVM30 - F18 | 22 | 4 | 279 | 80 | 440 | 390 | 345 | 22 | 105 | 8 | 5 | M12 | 18 | 95 | 24 | 22 | 14 | 9 | 993 | 329 |
| DVM40 - F18 | 30 | 4 | 279 | 80 | 440 | 390 | 345 | 22 | 105 | 8 | 5 | M12 | 18 | 95 | 24 | 22 | 14 | 9 | 1047 | 346 |
| DVM 8 - F19 | 5.5 | 4 | 320 | 95 | 500 | 450 | 400 | 30 | 140 | 12 | 6 | M20 | 18 | 120 | 34 | 25 | 14 | 9 | 829 | 250 |
| DVM10 - F19 | 7.5 | 4 | 320 | 95 | 500 | 450 | 400 | 30 | 140 | 12 | 6 | M20 | 18 | 120 | 34 | 25 | 14 | 9 | 858 | 263 |
| DVM15 - F19 | 11 | 4 | 320 | 95 | 500 | 450 | 400 | 30 | 140 | 12 | 6 | M20 | 18 | 120 | 34 | 25 | 14 | 9 | 931 | 277 |
| DVM20 - F19 | 15 | 4 | 320 | 95 | 500 | 450 | 400 | 30 | 140 | 12 | 6 | M20 | 18 | 120 | 34 | 25 | 14 | 9 | 967 | 330 |
| DVM25 - F19 | 18.5 | 4 | 320 | 95 | 500 | 450 | 400 | 30 | 140 | 12 | 6 | M20 | 18 | 120 | 34 | 25 | 14 | 9 | 1052 | 402 |
| DVM30 - F19 | 22 | 4 | 320 | 95 | 500 | 450 | 400 | 30 | 140 | 12 | 6 | M20 | 18 | 120 | 34 | 25 | 14 | 9 | 1054 | 404 |
| DVM40 - F19 | 30 | 4 | 320 | 95 | 500 | 450 | 400 | 30 | 140 | 12 | 6 | M20 | 18 | 120 | 34 | 25 | 14 | 9 | 1105 | 417 |
| DVM50 - F19 | 37 | 4 | 320 | 95 | 500 | 450 | 400 | 30 | 140 | 12 | 6 | M20 | 18 | 120 | 34 | 25 | 14 | 9 | 1145 | 455 |
DVM-F20 ~ DVM-F22
DIMENSIONS
| 형식 | 용량 (KW) |
극수 | CF | D | D1 | D2 | D3 | E | M | N | P | S | d | I | I. | b | h | t | L | 중량 (KG) |
|---|---|---|---|---|---|---|---|---|---|---|---|---|---|---|---|---|---|---|---|---|
| DVM15 - F20 | 11 | 4 | 320 | 100 | 500 | 450 | 400 | 30 | 140 | 8 | 6 | M20 | 22 | 125 | 34 | 28 | 16 | 10 | 1060 | 300 |
| DVM20 - F20 | 15 | 4 | 320 | 100 | 500 | 450 | 400 | 30 | 140 | 8 | 6 | M20 | 22 | 125 | 34 | 28 | 16 | 10 | 1100 | 354 |
| DVM25 - F20 | 18.5 | 4 | 320 | 100 | 500 | 450 | 400 | 30 | 140 | 8 | 6 | M20 | 22 | 125 | 34 | 28 | 16 | 10 | 1150 | 426 |
| DVM30 - F20 | 22 | 4 | 320 | 100 | 500 | 450 | 400 | 30 | 140 | 8 | 6 | M20 | 22 | 125 | 34 | 28 | 16 | 10 | 1150 | 428 |
| DVM40 - F20 | 30 | 4 | 320 | 100 | 500 | 450 | 400 | 30 | 140 | 8 | 6 | M20 | 22 | 125 | 34 | 28 | 16 | 10 | 1260 | 437 |
| DVM50 - F20 | 37 | 4 | 320 | 100 | 500 | 450 | 400 | 30 | 140 | 8 | 6 | M20 | 22 | 125 | 34 | 28 | 16 | 10 | 1260 | 475 |
| DVM60 - F20 | 45 | 4 | 320 | 100 | 500 | 450 | 400 | 30 | 140 | 8 | 6 | M20 | 22 | 125 | 34 | 28 | 16 | 10 | 1265 | 492 |
| DVM30 - F20N | 22 | 4 | 298 | 100 | 460 | 405 | 355 | 30 | 204 | 8 | 5 | M20 | 22 | 165 | 34 | 28 | 16 | 10 | 1150 | 426 |
| DVM15 - F21 | 11 | 4 | 380 | 110 | 585 | 520 | 455 | 36 | 195 | 12 | 8 | M20 | 22 | 165 | 34 | 28 | 16 | 10 | 1170 | 378 |
| DVM20 - F21 | 15 | 4 | 380 | 110 | 585 | 520 | 455 | 36 | 195 | 12 | 8 | M20 | 22 | 165 | 34 | 28 | 16 | 10 | 1210 | 433 |
| DVM25 - F21 | 18.5 | 4 | 380 | 110 | 585 | 520 | 455 | 36 | 195 | 12 | 8 | M20 | 22 | 165 | 34 | 28 | 16 | 10 | 1270 | 498 |
| DVM30 - F21 | 22 | 4 | 380 | 110 | 585 | 520 | 455 | 36 | 195 | 12 | 8 | M20 | 22 | 165 | 34 | 28 | 16 | 10 | 1270 | 498 |
| DVM40 - F21 | 30 | 4 | 380 | 110 | 585 | 520 | 455 | 36 | 195 | 12 | 8 | M20 | 22 | 165 | 34 | 28 | 16 | 10 | 1370 | 513 |
| DVM50 - F21 | 37 | 4 | 380 | 110 | 585 | 520 | 455 | 36 | 195 | 12 | 8 | M20 | 22 | 165 | 34 | 28 | 16 | 10 | 1370 | 567 |
| DVM60 - F21 | 45 | 4 | 380 | 110 | 585 | 520 | 455 | 36 | 195 | 12 | 8 | M20 | 22 | 165 | 34 | 28 | 16 | 10 | 1380 | 567 |
| DVM75 - F21 | 55 | 4 | 380 | 110 | 585 | 520 | 455 | 36 | 195 | 12 | 8 | M20 | 22 | 165 | 34 | 28 | 16 | 10 | 1420 | 658 |
| DVM40 - F21N | 30 | 4 | 323 | 110 | 495 | 440 | 390 | 36 | 203 | 8 | 8 | M20 | 24 | 165 | 34 | 28 | 16 | 10 | 1220 | 512 |
| DVM25 - F22 | 18.5 | 4 | 414 | 120 | 655 | 590 | 520 | 36 | 242 | 12 | 11 | M20 | 22 | 202 | 34 | 32 | 18 | 11 | 1350 | 589 |
| DVM30 - F22 | 22 | 4 | 414 | 120 | 655 | 590 | 520 | 36 | 242 | 12 | 11 | M20 | 22 | 202 | 34 | 32 | 18 | 11 | 1350 | 589 |
| DVM40 - F22 | 30 | 4 | 414 | 120 | 655 | 590 | 520 | 36 | 242 | 12 | 11 | M20 | 22 | 202 | 34 | 32 | 18 | 11 | 1450 | 603 |
| DVM50 - F22 | 37 | 4 | 414 | 120 | 655 | 590 | 520 | 36 | 242 | 12 | 11 | M20 | 22 | 202 | 34 | 32 | 18 | 11 | 1450 | 657 |
| DVM60 - F22 | 45 | 4 | 414 | 120 | 655 | 590 | 520 | 36 | 242 | 12 | 11 | M20 | 22 | 202 | 34 | 32 | 18 | 11 | 1460 | 657 |
| DVM40 - F22N | 30 | 4 | 356 | 120 | 538 | 475 | 415 | 36 | 210 | 8 | 11 | M20 | 27 | 165 | 34 | 32 | 18 | 11 | 1360 | 739 |
DVM-F0807 ~ DVM-F1109
DIMENSIONS
| 형식 | 용량 (KW) |
극수 | CF | D | D1 | D2 | D3 | E | M | N | P | d | I | b | h | t | L | 중량 (KG) |
|---|---|---|---|---|---|---|---|---|---|---|---|---|---|---|---|---|---|---|
| DVM01 - F0807 | 0.1 | 4 | 89 | 18 | 165 | 134 | 110 | 9 | 42 | 4 | 3 | 11 | 30 | 6 | 6 | 3.5 | 265 | 9 |
| DVM01 - F0908 | 0.1 | 4 | 142 | 28 | 165 | 134 | 110 | 9 | 48 | 4 | 3 | 11 | 35 | 8 | 7 | 4 | 324 | 15 |
| DVM02 - F0908 | 0.2 | 4 | 142 | 28 | 165 | 134 | 110 | 9 | 48 | 4 | 3 | 11 | 35 | 8 | 7 | 4 | 395 | 17 |
| DVM01 - F1008 | 0.1 | 4 | 156 | 28 | 165 | 134 | 110 | 9 | 48 | 4 | 3 | 11 | 35 | 8 | 7 | 4 | 338 | 16 |
| DVM02 - F1008 | 0.2 | 4 | 156 | 28 | 165 | 134 | 110 | 9 | 48 | 4 | 3 | 11 | 35 | 8 | 7 | 4 | 409 | 18 |
| DVM05 - F1008 | 0.4 | 4 | 156 | 28 | 165 | 134 | 110 | 9 | 48 | 4 | 3 | 11 | 35 | 8 | 7 | 4 | 443 | 19 |
| DVM01 - F1108 | 0.1 | 4 | 171 | 38 | 215 | 180 | 140 | 13 | 64 | 6 | 4 | 11 | 55 | 10 | 8 | 5 | 371 | 28 |
| DVM02 - F1108 | 0.2 | 4 | 171 | 38 | 215 | 180 | 140 | 13 | 64 | 6 | 4 | 11 | 55 | 10 | 8 | 5 | 445 | 30 |
| DVM05 - F1108 | 0.4 | 4 | 171 | 38 | 215 | 180 | 140 | 13 | 64 | 6 | 4 | 11 | 55 | 10 | 8 | 5 | 479 | 31 |
| DVM01 - F1109 | 0.1 | 4 | 183 | 38 | 215 | 180 | 140 | 13 | 64 | 6 | 4 | 11 | 55 | 10 | 8 | 5 | 386 | 31 |
| DVM 1 - F1109 | 0.75 | 4 | 183 | 38 | 215 | 180 | 140 | 13 | 64 | 6 | 4 | 11 | 55 | 10 | 8 | 5 | 491 | 38 |
DVM-F1308 ~ DVM-F1611
DIMENSIONS
| 형식 | 용량 (KW) |
극수 | CF | D | D1 | D2 | D3 | E | M | N | P | S | d | I | I. | b | h | t | L | 중량 (KG) |
|---|---|---|---|---|---|---|---|---|---|---|---|---|---|---|---|---|---|---|---|---|
| DVM02 - F1308 | 0.2 | 4 | 218 | 50 | 265 | 230 | 200 | 15 | 71 | 6 | 4 | M10 | 11 | 61 | 18 | 14 | 9 | 5.5 | 485 | 45 |
| DVM02 - F1309 | 0.2 | 4 | 227 | 50 | 265 | 230 | 200 | 15 | 71 | 6 | 4 | M10 | 11 | 61 | 18 | 14 | 9 | 5.5 | 508 | 48 |
| DVM05 - F1309 | 0.4 | 4 | 227 | 50 | 265 | 230 | 200 | 15 | 71 | 6 | 4 | M10 | 11 | 61 | 18 | 14 | 9 | 5.5 | 542 | 49 |
| DVM 1 - F1309 | 0.78 | 4 | 227 | 50 | 265 | 230 | 200 | 15 | 71 | 6 | 4 | M10 | 11 | 61 | 18 | 14 | 9 | 5.5 | 542 | 53 |
| DVM 1 - F1310 | 0.75 | 4 | 241 | 50 | 265 | 230 | 200 | 15 | 71 | 6 | 4 | M10 | 11 | 56 | 18 | 14 | 9 | 5.5 | 556 | 54 |
| DVM 2 - F1310 | 1.5 | 4 | 241 | 50 | 265 | 230 | 200 | 15 | 71 | 6 | 4 | M10 | 11 | 56 | 18 | 14 | 9 | 5.5 | 625 | 58 |
| DVM02 - F1408 | 0.2 | 4 | 218 | 50 | 265 | 230 | 200 | 15 | 91 | 6 | 4 | M10 | 11 | 76 | 18 | 14 | 9 | 5.5 | 519 | 45 |
| DVM02 - F1409 | 0.2 | 4 | 227 | 50 | 265 | 230 | 200 | 15 | 91 | 6 | 4 | M10 | 11 | 76 | 18 | 14 | 9 | 5.5 | 528 | 48 |
| DVM05 - F1409 | 0.4 | 4 | 227 | 50 | 265 | 230 | 200 | 15 | 91 | 6 | 4 | M10 | 11 | 76 | 18 | 14 | 9 | 5.5 | 562 | 49 |
| DVM 1 - F1409 | 0.75 | 4 | 227 | 50 | 265 | 230 | 200 | 15 | 91 | 6 | 4 | M10 | 11 | 76 | 18 | 14 | 9 | 5.5 | 562 | 53 |
| DVM 1 - F1410 | 0.75 | 4 | 241 | 50 | 265 | 230 | 200 | 15 | 91 | 6 | 4 | M10 | 11 | 79 | 18 | 14 | 9 | 5.5 | 580 | 54 |
| DVM 2 - F1410 | 1.5 | 4 | 241 | 50 | 265 | 230 | 200 | 15 | 91 | 6 | 4 | M10 | 11 | 79 | 18 | 14 | 9 | 5.5 | 625 | 58 |
| DVM 3 - F1410 | 2.2 | 4 | 241 | 50 | 265 | 230 | 200 | 15 | 91 | 6 | 4 | M10 | 11 | 79 | 18 | 14 | 9 | 5.5 | 627 | 62 |
| DVM02 - F1609 | 0.2 | 4 | 285 | 60 | 345 | 310 | 270 | 20 | 84 | 6 | 4 | M10 | 11 | 75 | 18 | 18 | 11 | 7 | 579 | 84 |
| DVM05 - F1609 | 0.4 | 4 | 285 | 60 | 345 | 310 | 270 | 20 | 84 | 6 | 4 | M10 | 11 | 75 | 18 | 18 | 11 | 7 | 617 | 85 |
| DVM 1 - F1609 | 0.75 | 4 | 285 | 60 | 345 | 310 | 270 | 20 | 84 | 6 | 4 | M10 | 11 | 75 | 18 | 18 | 11 | 7 | 617 | 89 |
| DVM 1 - F1610 | 0.75 | 4 | 299 | 60 | 345 | 310 | 270 | 20 | 84 | 6 | 4 | M10 | 11 | 75 | 18 | 18 | 11 | 7 | 631 | 91 |
| DVM 2 - F1610 | 1.5 | 4 | 299 | 60 | 345 | 310 | 270 | 20 | 84 | 6 | 4 | M10 | 11 | 75 | 18 | 18 | 11 | 7 | 676 | 95 |
| DVM 3 - F1610 | 2.2 | 4 | 299 | 60 | 345 | 310 | 270 | 20 | 84 | 6 | 4 | M10 | 11 | 75 | 18 | 18 | 11 | 7 | 698 | 99 |
| DVM 3 - F1611 | 2.2 | 4 | 300 | 60 | 345 | 310 | 270 | 20 | 84 | 6 | 4 | M10 | 11 | 75 | 18 | 18 | 11 | 7 | 672 | 107 |
| DVM 5 - F1611 | 3.7 | 4 | 300 | 60 | 345 | 310 | 270 | 20 | 84 | 6 | 4 | M10 | 11 | 75 | 18 | 18 | 11 | 7 | 700 | 117 |
DVM-F709 ~ DVM-F1813
DIMENSIONS
| 형식 | 용량 (KW) |
극수 | CF | D | D1 | D2 | D3 | E | M | N | P | S | d | I | I. | b | h | t | L | 중량 (KG) |
|---|---|---|---|---|---|---|---|---|---|---|---|---|---|---|---|---|---|---|---|---|
| DVM02 - F1709 | 0.2 | 4 | 324 | 70 | 405 | 360 | 316 | 22 | 89 | 8 | 5 | M12 | 14 | 79 | 24 | 20 | 12 | 7.5 | 623 | 120 |
| DVM05 - F1709 | 0.4 | 4 | 324 | 70 | 405 | 360 | 316 | 22 | 89 | 8 | 5 | M12 | 14 | 79 | 24 | 20 | 12 | 7.5 | 657 | 121 |
| DVM 1 - F1709 | 0.75 | 4 | 324 | 70 | 405 | 360 | 316 | 22 | 89 | 8 | 5 | M12 | 14 | 79 | 24 | 20 | 12 | 7.5 | 669 | 125 |
| DVM 1 - F1710 | 0.75 | 4 | 338 | 70 | 405 | 360 | 316 | 22 | 89 | 8 | 5 | M12 | 14 | 79 | 24 | 20 | 12 | 7.5 | 671 | 127 |
| DVM 2 - F1710 | 1.5 | 4 | 338 | 70 | 405 | 360 | 316 | 22 | 89 | 8 | 5 | M12 | 14 | 79 | 24 | 20 | 12 | 7.5 | 720 | 131 |
| DVM 3 - F1710 | 2.2 | 4 | 338 | 70 | 405 | 360 | 316 | 22 | 89 | 8 | 5 | M12 | 14 | 79 | 24 | 20 | 12 | 7.5 | 742 | 135 |
| DVM 2 - F1711 | 1.5 | 4 | 342 | 70 | 405 | 360 | 316 | 22 | 89 | 8 | 5 | M12 | 14 | 79 | 24 | 20 | 12 | 7.5 | 742 | 138 |
| DVM 3 - F1711 | 2.2 | 4 | 342 | 70 | 405 | 360 | 316 | 22 | 89 | 8 | 5 | M12 | 14 | 79 | 24 | 20 | 12 | 7.5 | 743 | 142 |
| DVM 5 - F1711 | 3.7 | 4 | 342 | 70 | 405 | 360 | 316 | 22 | 89 | 8 | 5 | M12 | 14 | 79 | 24 | 20 | 12 | 7.5 | 759 | 152 |
| DVM05 - F1810 | 0.4 | 4 | 364 | 80 | 440 | 390 | 345 | 22 | 105 | 8 | 5 | M12 | 18 | 95 | 24 | 22 | 14 | 9 | 713 | 154 |
| DVM 1 - F1810 | 0.75 | 4 | 364 | 80 | 440 | 390 | 345 | 22 | 105 | 8 | 5 | M12 | 18 | 95 | 24 | 22 | 14 | 9 | 721 | 158 |
| DVM 1 - F1810 | 1.5 | 4 | 364 | 80 | 440 | 390 | 345 | 22 | 105 | 8 | 5 | M12 | 18 | 95 | 24 | 22 | 14 | 9 | 762 | 162 |
| DVM 3 - F1810 | 2.2 | 4 | 364 | 80 | 440 | 390 | 345 | 22 | 105 | 8 | 5 | M12 | 18 | 95 | 24 | 22 | 14 | 9 | 781 | 166 |
| DVM 2 - F1813 | 1.5 | 4 | 386 | 80 | 440 | 390 | 345 | 22 | 105 | 8 | 5 | M12 | 18 | 95 | 24 | 22 | 14 | 9 | 788 | 180 |
| DVM 3 - F1813 | 2.2 | 4 | 386 | 80 | 440 | 390 | 345 | 22 | 105 | 8 | 5 | M12 | 18 | 95 | 24 | 22 | 14 | 9 | 785 | 183 |
| DVM 5 - F1813 | 3.7 | 4 | 386 | 80 | 440 | 390 | 345 | 22 | 105 | 8 | 5 | M12 | 18 | 95 | 24 | 22 | 14 | 9 | 806 | 193 |
| DVM 8 - F1813 | 5.5 | 4 | 386 | 80 | 440 | 390 | 345 | 22 | 105 | 8 | 5 | M12 | 18 | 95 | 24 | 22 | 14 | 9 | 856 | 200 |
| DVM10 - F1813 | 7.5 | 4 | 386 | 80 | 440 | 390 | 345 | 22 | 105 | 8 | 5 | M12 | 18 | 95 | 24 | 22 | 14 | 9 | 892 | 215 |
DVM-F1911 ~ DVM-F2217
DIMENSIONS
| 형식 | 용량 (KW) |
극수 | CF | D | D1 | D2 | D3 | E | M | N | P | S | d | I | I. | b | h | t | L | 중량 (KG) |
|---|---|---|---|---|---|---|---|---|---|---|---|---|---|---|---|---|---|---|---|---|
| DVM 1 - F1911 | 0.75 | 4 | 411 | 95 | 500 | 450 | 400 | 30 | 140 | 12 | 6 | M20 | 18 | 200 | 34 | 25 | 14 | 9 | 799 | 238 |
| DVM 2 - F1911 | 1.5 | 4 | 411 | 95 | 500 | 450 | 400 | 30 | 140 | 12 | 6 | M20 | 18 | 200 | 34 | 25 | 14 | 9 | 844 | 242 |
| DVM 3 - F1911 | 2.2 | 4 | 411 | 95 | 500 | 450 | 400 | 30 | 140 | 12 | 6 | M20 | 18 | 200 | 34 | 25 | 14 | 9 | 858 | 246 |
| DVM 5 - F1911 | 3.7 | 4 | 411 | 95 | 500 | 450 | 400 | 30 | 140 | 12 | 6 | M20 | 18 | 200 | 34 | 25 | 14 | 9 | 872 | 256 |
| DVM 3 - F1913 | 2.2 | 4 | 427 | 95 | 500 | 450 | 400 | 30 | 140 | 12 | 6 | M20 | 18 | 200 | 34 | 25 | 14 | 9 | 861 | 253 |
| DVM 5 - F1913 | 3.7 | 4 | 427 | 95 | 500 | 450 | 400 | 30 | 140 | 12 | 6 | M20 | 18 | 200 | 34 | 25 | 14 | 9 | 882 | 263 |
| DVM 8 - F1913 | 5.5 | 4 | 427 | 95 | 500 | 450 | 400 | 30 | 140 | 12 | 6 | M20 | 18 | 200 | 34 | 25 | 14 | 9 | 932 | 270 |
| DVM10 - F1913 | 7.5 | 4 | 427 | 95 | 500 | 450 | 400 | 30 | 140 | 12 | 6 | M20 | 18 | 200 | 34 | 25 | 14 | 9 | 959 | 285 |
| DVM- F2011N | 7.5-1.5 | 4 | 393 | 100 | 460 | 405 | 355 | 30 | 207 | 8 | 6 | M20 | 22 | 165 | 34 | 28 | 16 | 10 | 963 | 259 |
| DVM- F2011N | 2.2-7.5 | 4 | 420 | 100 | 460 | 405 | 355 | 30 | 207 | 8 | 6 | M20 | 22 | 165 | 34 | 28 | 16 | 10 | - | - |
| DVM 2 - F2113 | 1.5 | 4 | 492 | 110 | 590 | 520 | 455 | 40 | 195 | 12 | 9 | M20 | 22 | 165 | 34 | 28 | 16 | 10 | 1035 | 332 |
| DVM 3 - F2113 | 2.2 | 4 | 492 | 110 | 590 | 520 | 455 | 40 | 195 | 12 | 9 | M20 | 22 | 165 | 34 | 28 | 16 | 10 | 1071 | 337 |
| DVM 5 - F2113 | 3.7 | 4 | 492 | 110 | 590 | 520 | 455 | 40 | 195 | 12 | 9 | M20 | 22 | 165 | 34 | 28 | 16 | 10 | 1080 | 346 |
| DVM 8 - F2113 | 5.5 | 4 | 492 | 110 | 590 | 520 | 455 | 40 | 195 | 12 | 9 | M20 | 22 | 165 | 34 | 28 | 16 | 10 | 1144 | 354 |
| DVM10 - F2113 | 7.5 | 4 | 492 | 110 | 590 | 520 | 455 | 40 | 195 | 12 | 9 | M20 | 22 | 165 | 34 | 28 | 16 | 10 | 1182 | 369 |
| DVM - F2113N | - | - | 447 | 110 | 500 | 440 | 390 | 40 | 205 | 8 | 8 | M20 | 24 | 165 | 34 | 28 | 16 | 10 | - | - |
| DVM10 - F2116 | 7.5 | 4 | 515 | 110 | 590 | 520 | 455 | 40 | 195 | 12 | 9 | M20 | 22 | 165 | 34 | 28 | 16 | 10 | 1210 | 405 |
| DVM10 - F2116 | 11 | 4 | 515 | 110 | 590 | 520 | 455 | 40 | 195 | 12 | 9 | M20 | 22 | 165 | 34 | 28 | 16 | 10 | 1305 | 416 |
| DVM - F2116N | - | - | 472 | 110 | 500 | 440 | 390 | 40 | 205 | 8 | 8 | M20 | 24 | 165 | 34 | 28 | 16 | 10 | - | - |
| DVM - F2113 | 1.5-7.5 | - | 563 | 120 | 655 | 590 | 520 | 45 | 195 | 12 | 10 | M24 | 22 | 150 | 42 | 32 | 20 | 10 | - | - |
| DVM - F2113N | 1.5-7.5 | - | 482 | 120 | 540 | 475 | 415 | 40 | 215 | 8 | 10 | M20 | 27 | 165 | 34 | 32 | 18 | 11 | - | - |
| DVM - F2117 | 5.5-18.5 | - | 570 | 120 | 655 | 590 | 520 | 40 | 195 | 12 | 10 | M24 | 22 | 150 | 42 | 32 | 20 | 10 | - | - |
| DVM - F2117N | 5.5-18.5 | - | 525 | 120 | 540 | 475 | 415 | 40 | 215 | 8 | 10 | M20 | 27 | 165 | 34 | 32 | 18 | 11 | - | - |
DVM-F2316 ~ F2718 형식은 특별주문 제작 사양이므로 연락주시면 즉시 도면을 보내드립니다.
